UCFH206D1-

Time:2025-11-25Edit:JFU Bearing
UCFH206D1

UCFH206D1

/uploads/pic/yre3dz4lgc31839_20251120173054.webp

UCFH206D1

Designations

UCFH206D1

Included products

Bearing UC206D1 Bearing
Housing FH206D1 Housing

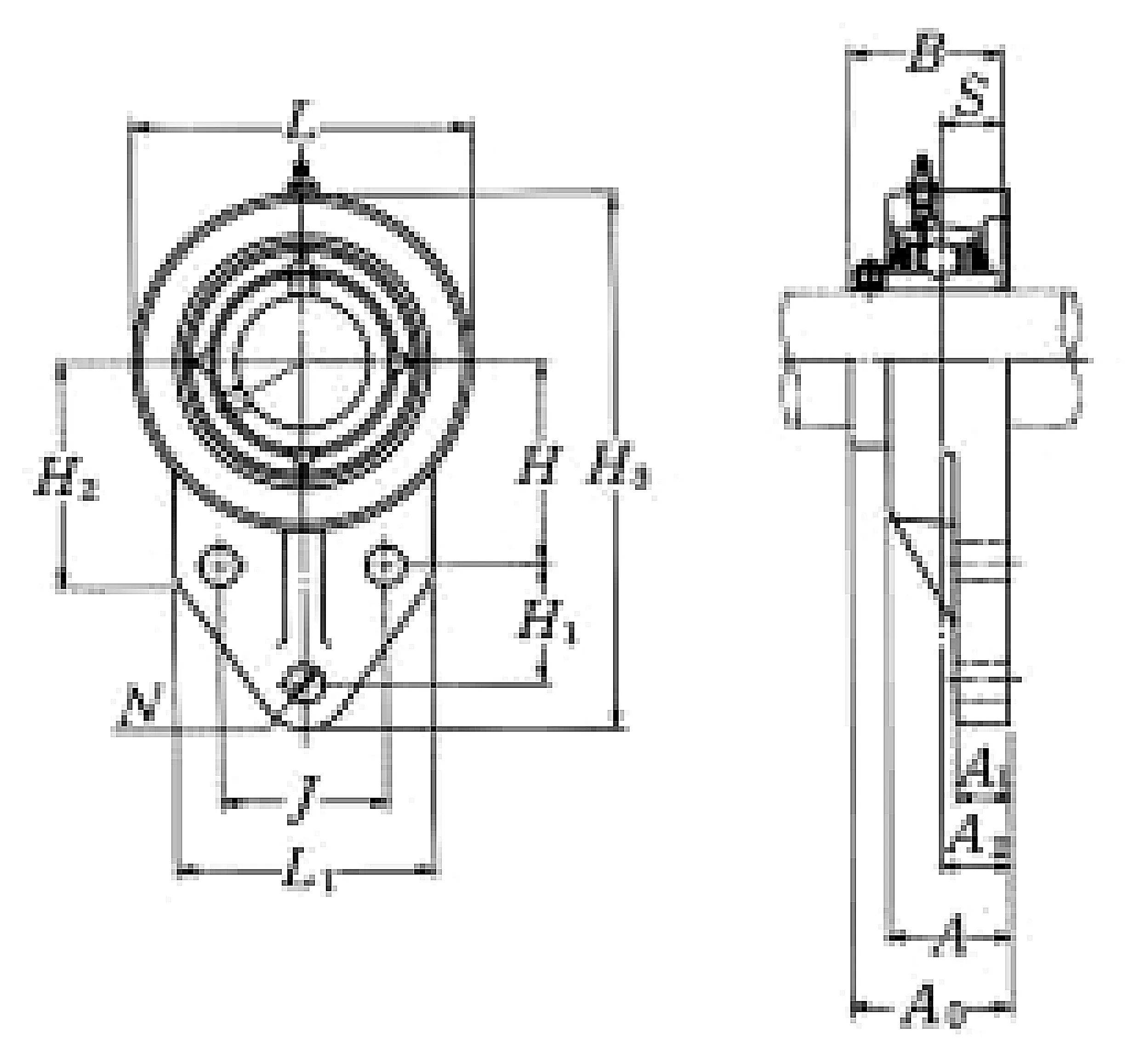
Nominal Dimensions

d 30 mm Bore diameter
L,L1 78 mm Overall height
H 50 mm Height of spherical seat centre
H3 130 mm Overall height
J 40 mm Distance between attachment bolts
N 10 mm Diameter of attachment bolt hole
A2 18 mm Flange width
A1 13 mm Flange width
A 31 mm Base width
A0 40.2 mm Overall width
B,B1,B2 38.1 mm Width of inner ring
H1 29 mm Distance between attachment bolt holes
S 15.9 mm Distance from Opposite side face of locking device to raceway centre
L1 65 mm Foot width

Mounting information

G M8 Bolt size

Basic Load Ratings

Cr 19.5 kN Basic dynamic load rating
C0r 11.3 kN Basic static load rating

Mass

mass 0.9 kg Mass approx.

Questions?

We are here to help.

admin@jfubearing.com

Get expert sales advice within 12 hours.

💬

+86-15961837791

Chat with us now for a quick response.

Contact us now to get a free quote or estimate.