ASPFL205-

Time:2025-11-25Edit:JFU Bearing
ASPFL205

ASPFL205

/uploads/pic/ubw1appsaod1777_20251120170649.webp

ASPFL205

Designations

ASPFL205

Included products

Bearing AS205 Bearing
Housing PFL205 Housing

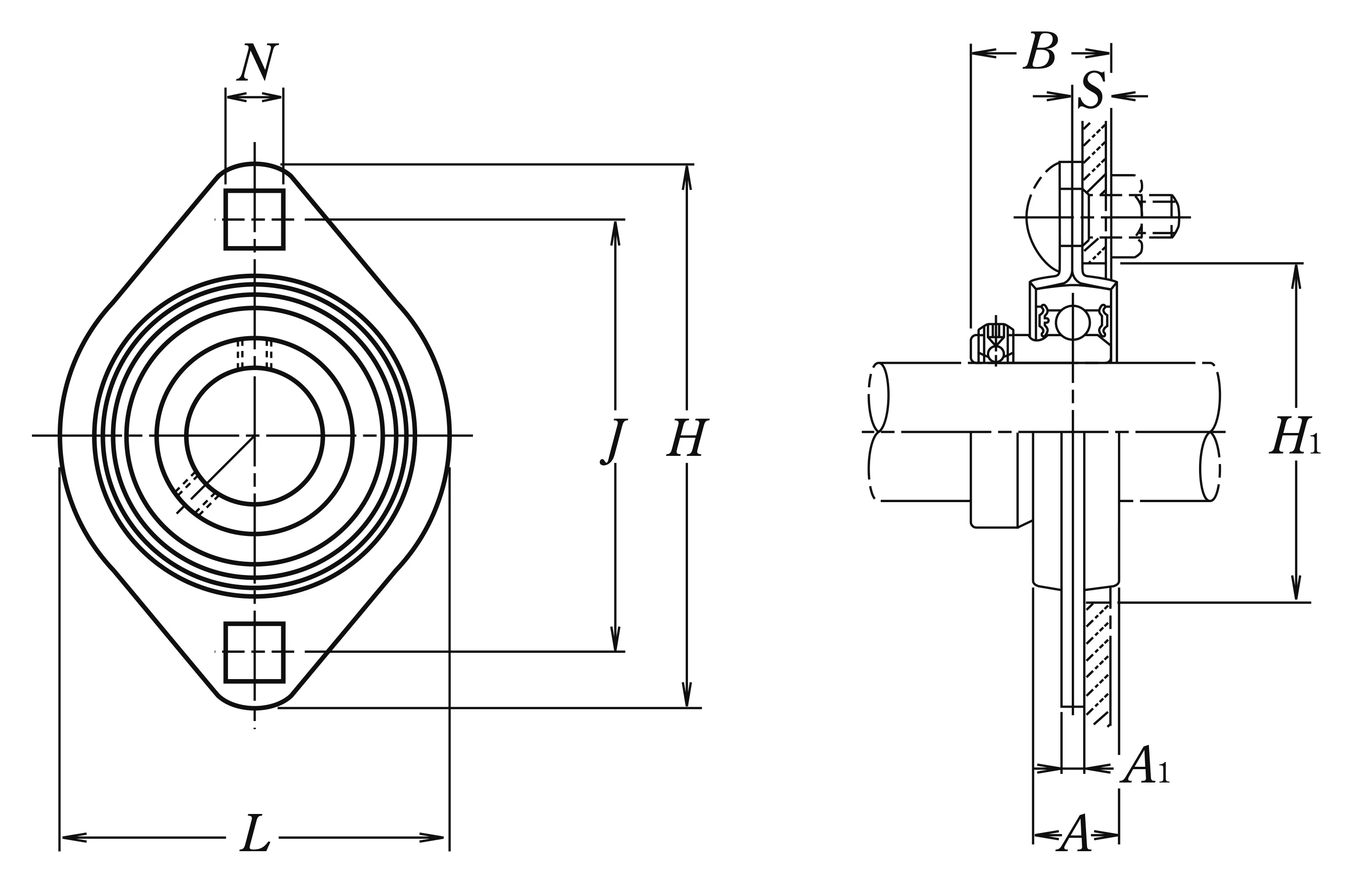
Nominal Dimensions

d 25 mm Bore diameter
L,L1 71 mm Overall height
H 95 mm Height of spherical seat centre
J 76 mm Distance between attachment bolts
N 9 mm Diameter of attachment bolt hole
A1 4 mm Flange width
A 18 mm Base width
B,B1,B2 27 mm Width of inner ring
H1 60 mm Abutment diameter
S 7.5 mm Distance from Opposite side face of locking device to raceway centre

Mounting information

G M 8 Bolt size

Permissible housing load

CR 4 kN Radial

Basic Load Ratings

Cr 14 kN Basic dynamic load rating
C0r 7.85 kN Basic static load rating

Mass

mass 0.3 kg Mass approx.

Questions?

We are here to help.

admin@jfubearing.com

Get expert sales advice within 12 hours.

💬

+86-15961837791

Chat with us now for a quick response.

Contact us now to get a free quote or estimate.