UCFH205D1-

Time:2025-11-25Edit:JFU Bearing
UCFH205D1

UCFH205D1

/uploads/pic/aeuffpge3xz1775_20251120170557.webp

UCFH205D1

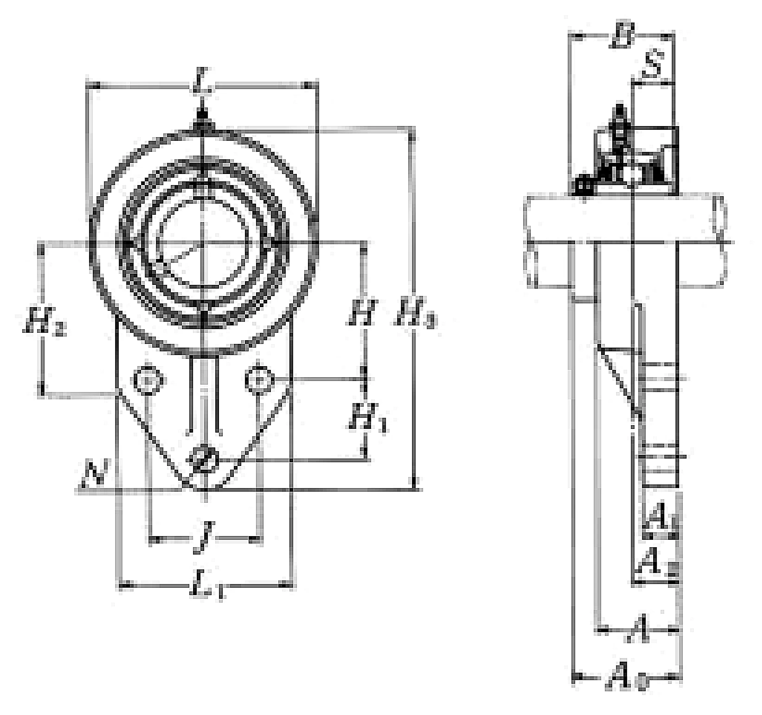
Designations

UCFH205D1

Included products

Bearing UC205D1 Bearing
Housing FH205D1 Housing

Nominal Dimensions

d 25 mm Bore diameter
L,L1 68 mm Overall height
H 45 mm Height of spherical seat centre
H3 116 mm Overall height
J 34 mm Distance between attachment bolts
N 10 mm Diameter of attachment bolt hole
A2 16 mm Flange width
A1 13 mm Flange width
A 27 mm Base width
A0 35.8 mm Overall width
B,B1,B2 34.1 mm Width of inner ring
H1 27 mm Distance between attachment bolt holes
S 14.3 mm Distance from Opposite side face of locking device to raceway centre
L1 56 mm Foot width

Mounting information

G M8 Bolt size

Basic Load Ratings

Cr 14 kN Basic dynamic load rating
C0r 7.85 kN Basic static load rating

Mass

mass 0.7 kg Mass approx.

Questions?

We are here to help.

admin@jfubearing.com

Get expert sales advice within 12 hours.

💬

+86-15961837791

Chat with us now for a quick response.

Contact us now to get a free quote or estimate.