UC315D1 Series-

Time:2025-11-25Edit:JFU Bearing
UC315D1 Series

UC315D1 Series

/uploads/pic/1isplwtwady2799_20251120221658.webp

UC315D1 Series

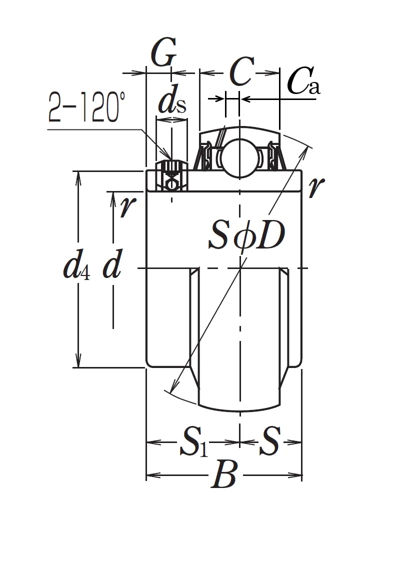
Designations

UC315D1

Included products

Bearing UC315D1 Bearing

Nominal Dimensions

d 75 mm Bore diameter
D 160 mm Outside diameter
B,B4 82 mm Width of inner ring
C 43 mm Outer ring width
r(min.) 2.5 mm Chamfer dimension
S1 50 mm Distance from locking device side face to raceway centre
G 14 mm Distance face to thread centre
ds M14×1.5 Set screw
Ca 10.5 mm Distance from oil hole centre to raceway centre
d4 101.3 mm Outside diameter of inner ring

Basic Load Ratings

Cr 113 kN Basic dynamic load rating
C0r 77 kN Basic static load rating

Mass

Mass approx. 4.7 kg Mass approx.

Questions?

We are here to help.

admin@jfubearing.com

Get expert sales advice within 12 hours.

💬

+86-15961837791

Chat with us now for a quick response.

Contact us now to get a free quote or estimate.