UELS315 Series-

Time:2025-11-25Edit:JFU Bearing
UELS315 Series

UELS315 Series

/uploads/pic/mxsnmfztrkc2797_20251120221624.webp

UELS315 Series

Designations

UELS315

Included products

Bearing UELS315 Bearing

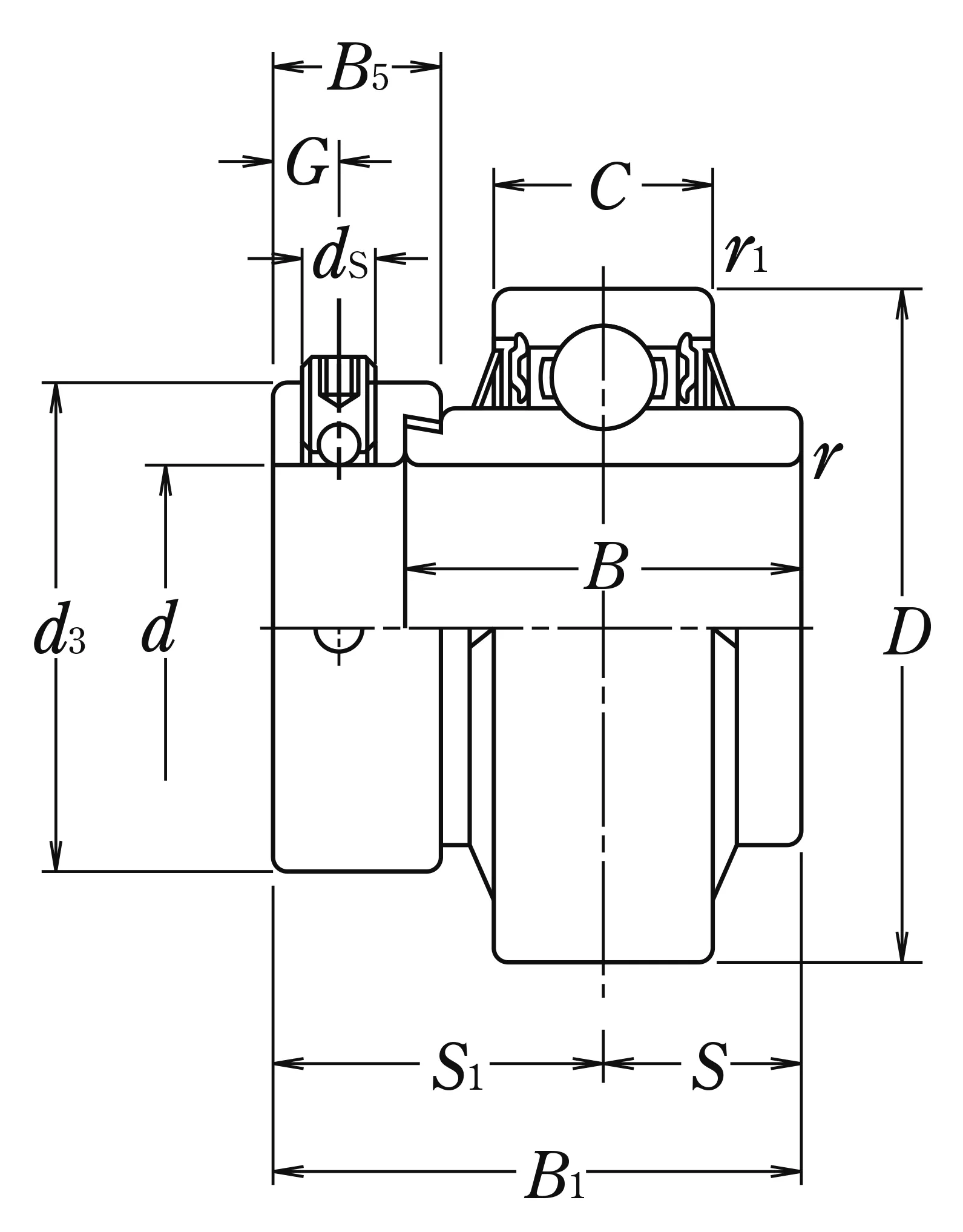
Nominal Dimensions

d 75 mm Bore diameter
D 160 mm Outside diameter
B1 100 mm Overall bearing width
B,B4 74.6 mm Width of inner ring
C 43 mm Outer ring width
r(min.) 2.5 mm Chamfer dimension
r1(min.) 2 mm Chamfer dimension
S1 62.7 mm Distance from locking device side face to raceway centre
G 12.7 mm Distance face to thread centre
ds M16×1.5 Set screw
d3 113 mm Outside diameter of locking collar
B5 31.8 mm Width of locking collar

Basic Load Ratings

Cr 113 kN Basic dynamic load rating
C0r 77 kN Basic static load rating

Mass

Mass approx. 5.5 kg Mass approx.

Questions?

We are here to help.

admin@jfubearing.com

Get expert sales advice within 12 hours.

💬

+86-15961837791

Chat with us now for a quick response.

Contact us now to get a free quote or estimate.