CM-UCF326D1-

Time:2025-11-25Edit:JFU Bearing
CM-UCF326D1

CM-UCF326D1

/uploads/pic/4e35zovhem2893_20251120122058.webp

CM-UCF326D1

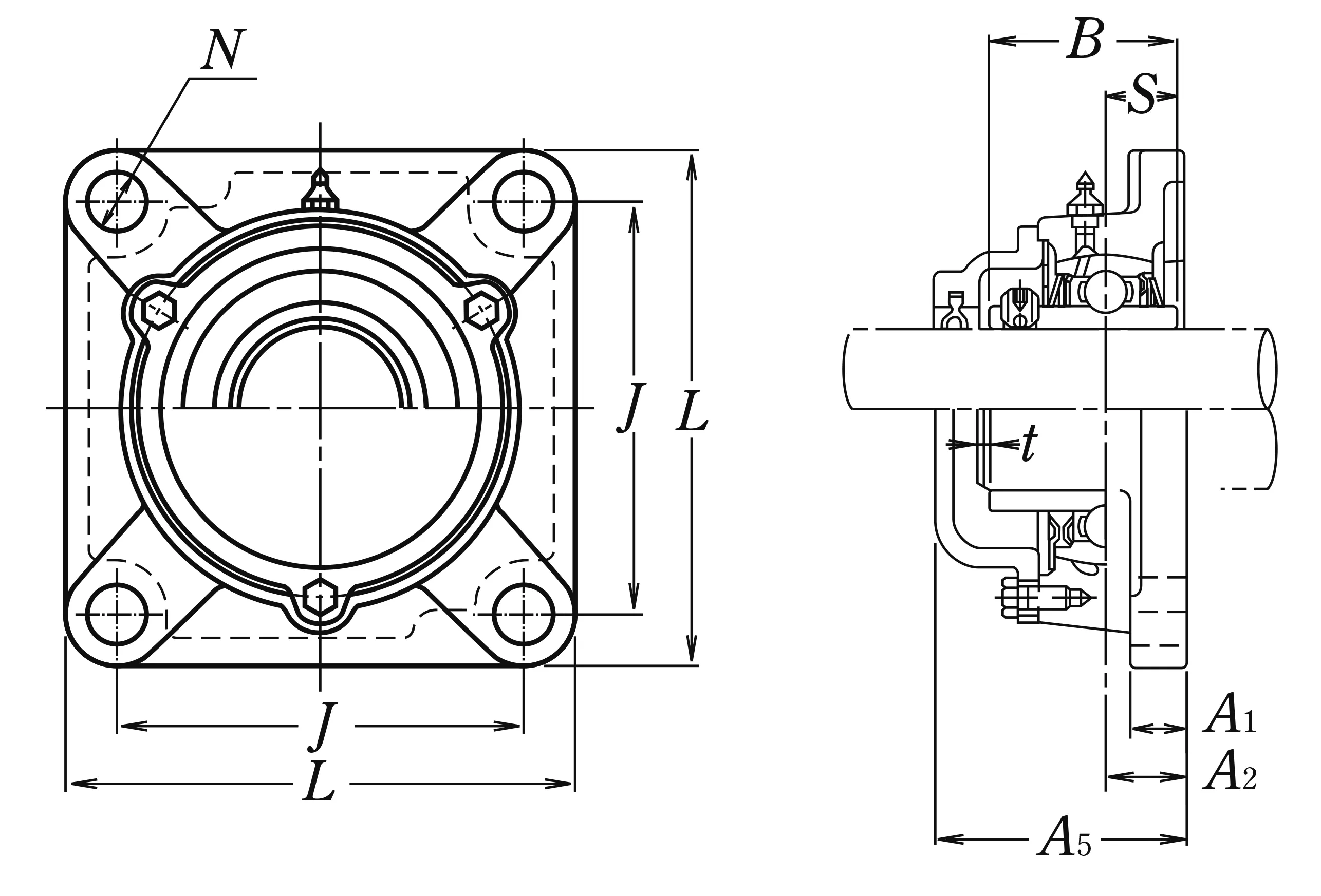
Designations

CM-UCF326D1

Included products

Bearing UC326D1 Bearing
Housing F326D1 Housing

Nominal Dimensions

d 130 mm Bore diameter
L 410 mm Overall length
J 320 mm Distance between attachment bolts
N 41 mm Diameter of attachment bolt hole
A2 65 mm Flange width
A1 45 mm Flange width
A5 178 mm Width including end cover
A0 146 mm Overall width
B,B1,B2 135 mm Width of inner ring
t 6 mm Clearance
S 54 mm Distance from Opposite side face of locking device to raceway centre

Mounting information

G M36 Bolt size

Basic Load Ratings

Cr 229 kN Basic dynamic load rating
C0r 214 kN Basic static load rating

Mass

mass 73 kg Mass approx.

Questions?

We are here to help.

admin@jfubearing.com

Get expert sales advice within 12 hours.

💬

+86-15961837791

Chat with us now for a quick response.

Contact us now to get a free quote or estimate.