CM-UCF320D1-

Time:2025-11-25Edit:JFU Bearing
CM-UCF320D1

CM-UCF320D1

/uploads/pic/pr4deujfaf1797_20251120115733.webp

CM-UCF320D1

Designations

CM-UCF320D1

Included products

Bearing UC320D1 Bearing
Housing F320D1 Housing

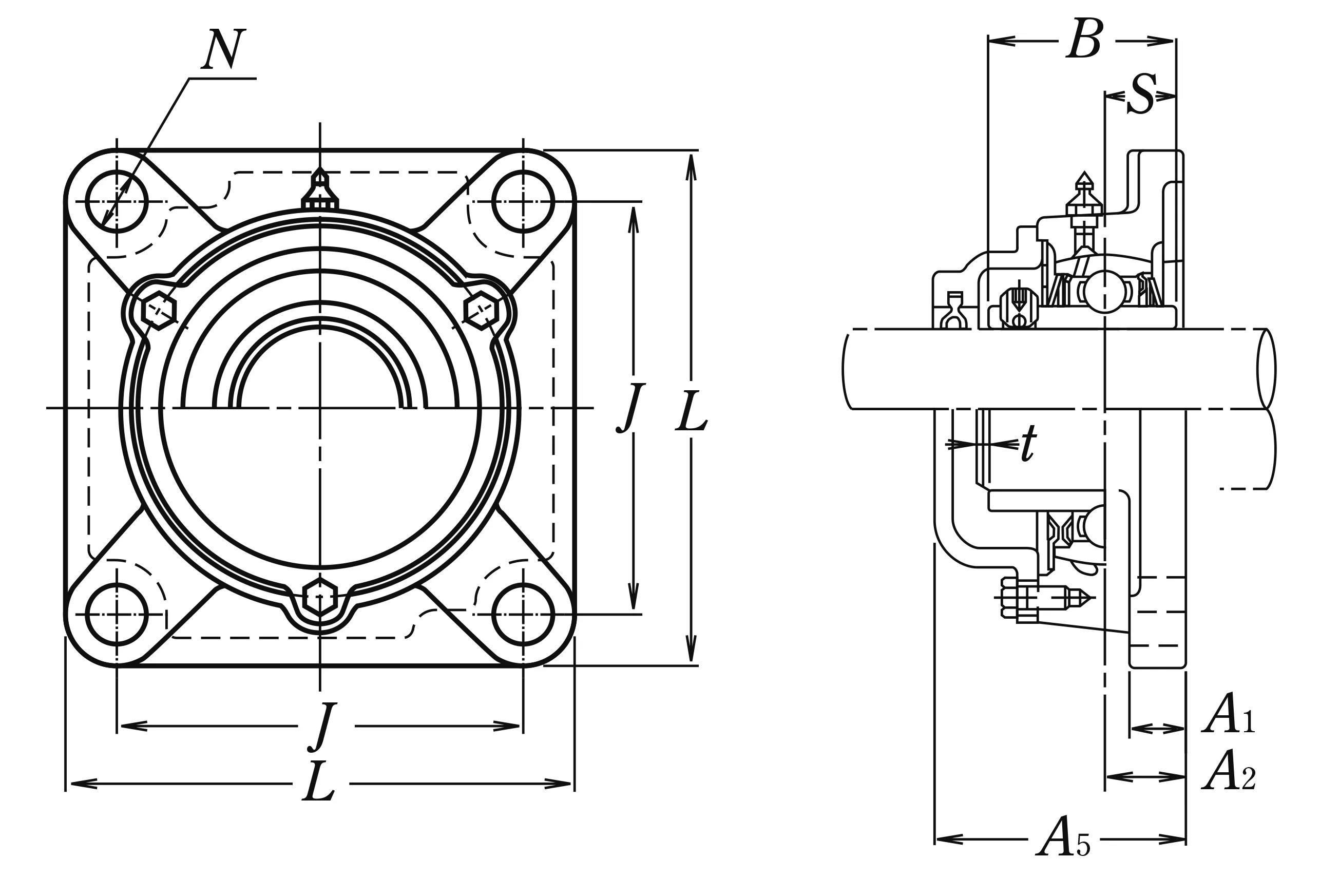
Nominal Dimensions

d 100 mm Bore diameter
L 310 mm Overall length
J 242 mm Distance between attachment bolts
N 38 mm Diameter of attachment bolt hole
A2 59 mm Flange width
A1 32 mm Flange width
A5 154 mm Width including end cover
A0 125 mm Overall width
B,B1,B2 108 mm Width of inner ring
t 5 mm Clearance
S 42 mm Distance from Opposite side face of locking device to raceway centre

Mounting information

G M33 Bolt size

Basic Load Ratings

Cr 173 kN Basic dynamic load rating
C0r 141 kN Basic static load rating

Mass

mass 32 kg Mass approx.

Questions?

We are here to help.

admin@jfubearing.com

Get expert sales advice within 12 hours.

💬

+86-15961837791

Chat with us now for a quick response.

Contact us now to get a free quote or estimate.