C-UCFX20D1-

Time:2025-11-25Edit:JFU Bearing
C-UCFX20D1

C-UCFX20D1

/uploads/pic/h4eywmo41el789_20251120115628.webp

C-UCFX20D1

Designations

C-UCFX20D1

Included products

Bearing UCX20D1 Bearing
Housing FX20D1 Housing

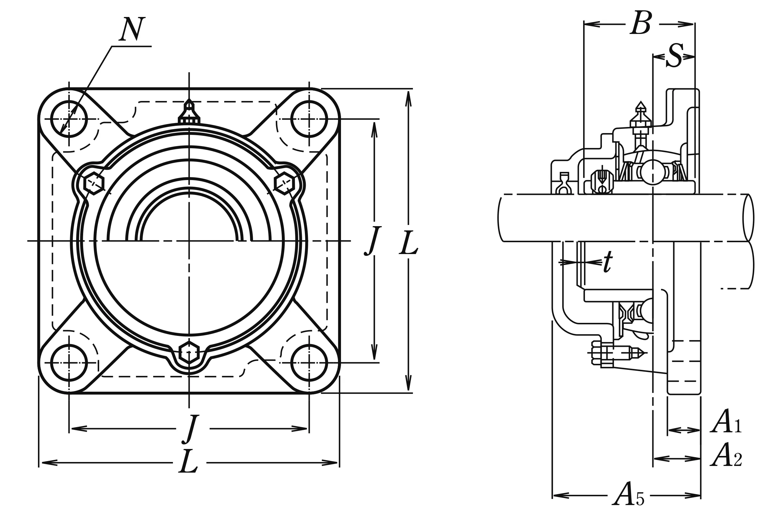
Nominal Dimensions

d 100 mm Bore diameter
L 268 mm Overall length
J 211 mm Distance between attachment bolts
N 31 mm Diameter of attachment bolt hole
A2 59 mm Flange width
A1 31 mm Flange width
A5 146.5 mm Width including end cover
A0 127.3 mm Overall width
B,B1,B2 117.5 mm Width of inner ring
t 5 mm Clearance
S 49.2 mm Distance from Opposite side face of locking device to raceway centre

Mounting information

G M27 Bolt size

Basic Load Ratings

Cr 133 kN Basic dynamic load rating
C0r 105 kN Basic static load rating

Mass

mass 23 kg Mass approx.

Questions?

We are here to help.

admin@jfubearing.com

Get expert sales advice within 12 hours.

💬

+86-15961837791

Chat with us now for a quick response.

Contact us now to get a free quote or estimate.