UKFX16D1-

Time:2025-11-25Edit:JFU Bearing
UKFX16D1

UKFX16D1

/uploads/pic/nmc52tbuzeh575_20251120105527.webp

UKFX16D1

Designations

UKFX16D1

Included products

Bearing UKX16D1 Bearing
Housing FX16D1 Housing

Associated products

Adapter sleeve H2316X Adapter sleeve

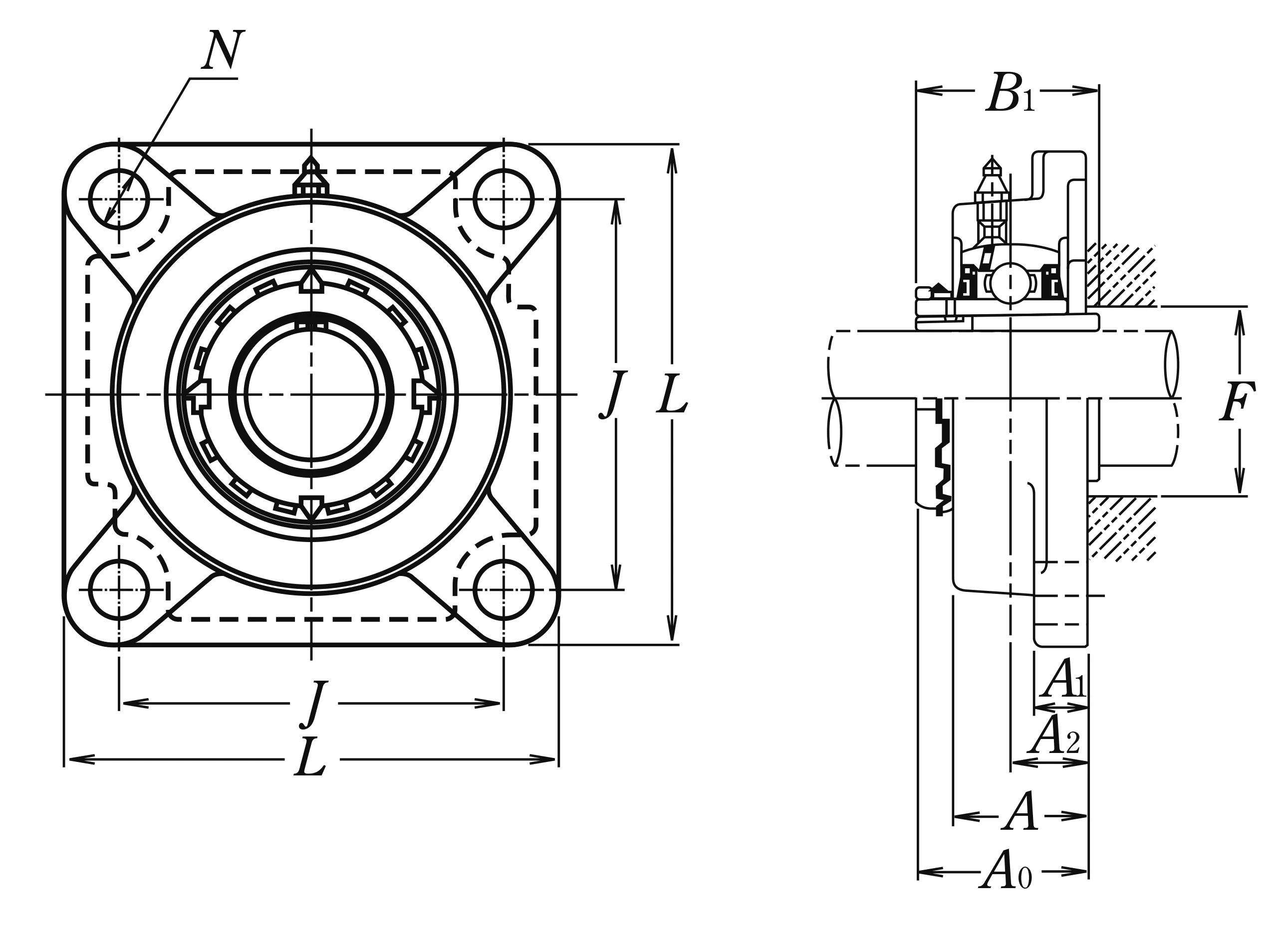
Nominal Dimensions

d 70 mm Bore diameter
L 214 mm Overall length
J 171 mm Distance between attachment bolts
N 23 mm Diameter of attachment bolt hole
A2 40 mm Flange width
A1 24 mm Flange width
A 70 mm Base width
A0 80 mm Overall width
B,B1,B2 78 mm Width of inner ring
F 90 mm Diameter of housing abutment

Mounting information

G M20 Bolt size

Basic Load Ratings

Cr 83.5 kN Basic dynamic load rating
C0r 64 kN Basic static load rating

Mass

mass 11 kg Mass approx.

Questions?

We are here to help.

admin@jfubearing.com

Get expert sales advice within 12 hours.

💬

+86-15961837791

Chat with us now for a quick response.

Contact us now to get a free quote or estimate.