C-UCFX14D1-

Time:2025-11-25Edit:JFU Bearing
C-UCFX14D1

C-UCFX14D1

/uploads/pic/y1gbqubs2x0565_20251120105313.webp

C-UCFX14D1

Designations

C-UCFX14D1

Included products

Bearing UCX14D1 Bearing
Housing FX14D1 Housing

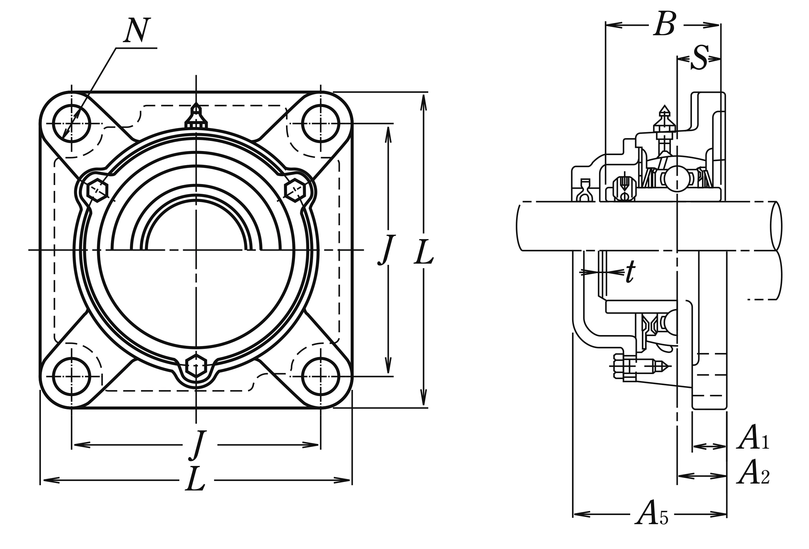
Nominal Dimensions

d 70 mm Bore diameter
L 197 mm Overall length
J 152 mm Distance between attachment bolts
N 23 mm Diameter of attachment bolt hole
A2 37 mm Flange width
A1 24 mm Flange width
A5 105 mm Width including end cover
A0 81.5 mm Overall width
B,B1,B2 77.8 mm Width of inner ring
t 4 mm Clearance
S 33.3 mm Distance from Opposite side face of locking device to raceway centre

Mounting information

G M20 Bolt size

Basic Load Ratings

Cr 66 kN Basic dynamic load rating
C0r 49.5 kN Basic static load rating

Mass

mass 8.3 kg Mass approx.

Questions?

We are here to help.

admin@jfubearing.com

Get expert sales advice within 12 hours.

💬

+86-15961837791

Chat with us now for a quick response.

Contact us now to get a free quote or estimate.