ZM-UCF213D1-

Time:2025-11-25Edit:JFU Bearing
ZM-UCF213D1

ZM-UCF213D1

/uploads/pic/glfys5skp0v509_20251120104500.webp

ZM-UCF213D1

Designations

ZM-UCF213D1

Included products

Bearing UC213D1 Bearing
Housing F213D1 Housing

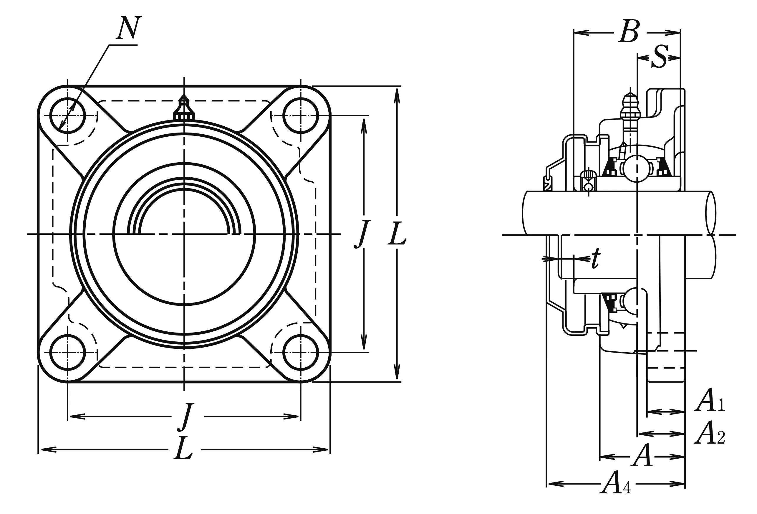
Nominal Dimensions

d 65 mm Bore diameter
L 187 mm Overall length
J 149 mm Distance between attachment bolts
N 19 mm Diameter of attachment bolt hole
A2 30 mm Flange width
A1 22 mm Flange width
A 50 mm Base width
A4 76 mm Width including end cover
A0 69.7 mm Overall width
B,B1,B2 65.1 mm Width of inner ring
t 4 mm Clearance
S 25.4 mm Distance from Opposite side face of locking device to raceway centre

Mounting information

G M16 Bolt size

Basic Load Ratings

Cr 57.5 kN Basic dynamic load rating
C0r 40 kN Basic static load rating

Mass

mass 5.6 kg Mass approx.

Questions?

We are here to help.

admin@jfubearing.com

Get expert sales advice within 12 hours.

💬

+86-15961837791

Chat with us now for a quick response.

Contact us now to get a free quote or estimate.