CM-UCF311D1-

Time:2025-11-25Edit:JFU Bearing
CM-UCF311D1

CM-UCF311D1

/uploads/pic/lgoeynjns50441_20251120101735.webp

CM-UCF311D1

Designations

CM-UCF311D1

Included products

Bearing UC311D1 Bearing
Housing F311D1 Housing

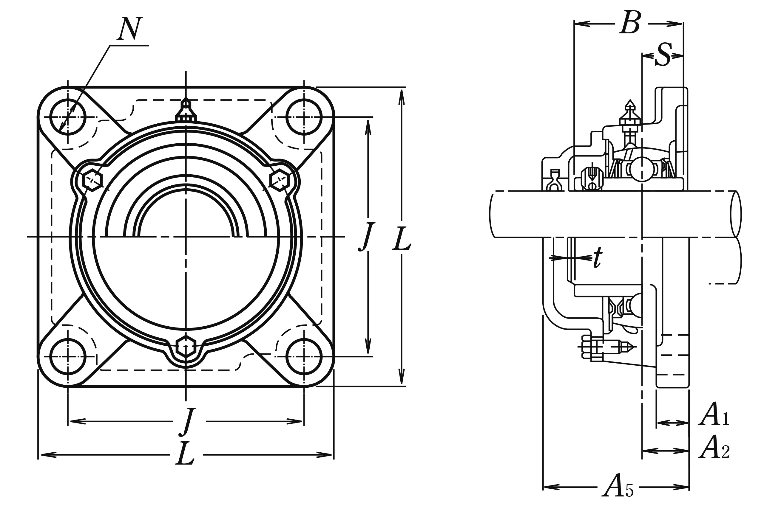
Nominal Dimensions

d 55 mm Bore diameter
L 185 mm Overall length
J 140 mm Distance between attachment bolts
N 23 mm Diameter of attachment bolt hole
A2 30 mm Flange width
A1 20 mm Flange width
A5 92 mm Width including end cover
A0 71 mm Overall width
B,B1,B2 66 mm Width of inner ring
t 4 mm Clearance
S 25 mm Distance from Opposite side face of locking device to raceway centre

Mounting information

G M20 Bolt size

Basic Load Ratings

Cr 71.5 kN Basic dynamic load rating
C0r 45 kN Basic static load rating

Mass

mass 6.7 kg Mass approx.

Questions?

We are here to help.

admin@jfubearing.com

Get expert sales advice within 12 hours.

💬

+86-15961837791

Chat with us now for a quick response.

Contact us now to get a free quote or estimate.