UELFU211D1-

Time:2025-11-25Edit:JFU Bearing
UELFU211D1

UELFU211D1

/uploads/pic/ypb1qzepnza419_20251120101331.webp

UELFU211D1

Designations

UELFU211D1

Included products

Bearing UEL211D1 Bearing
Housing FU211D1 Housing

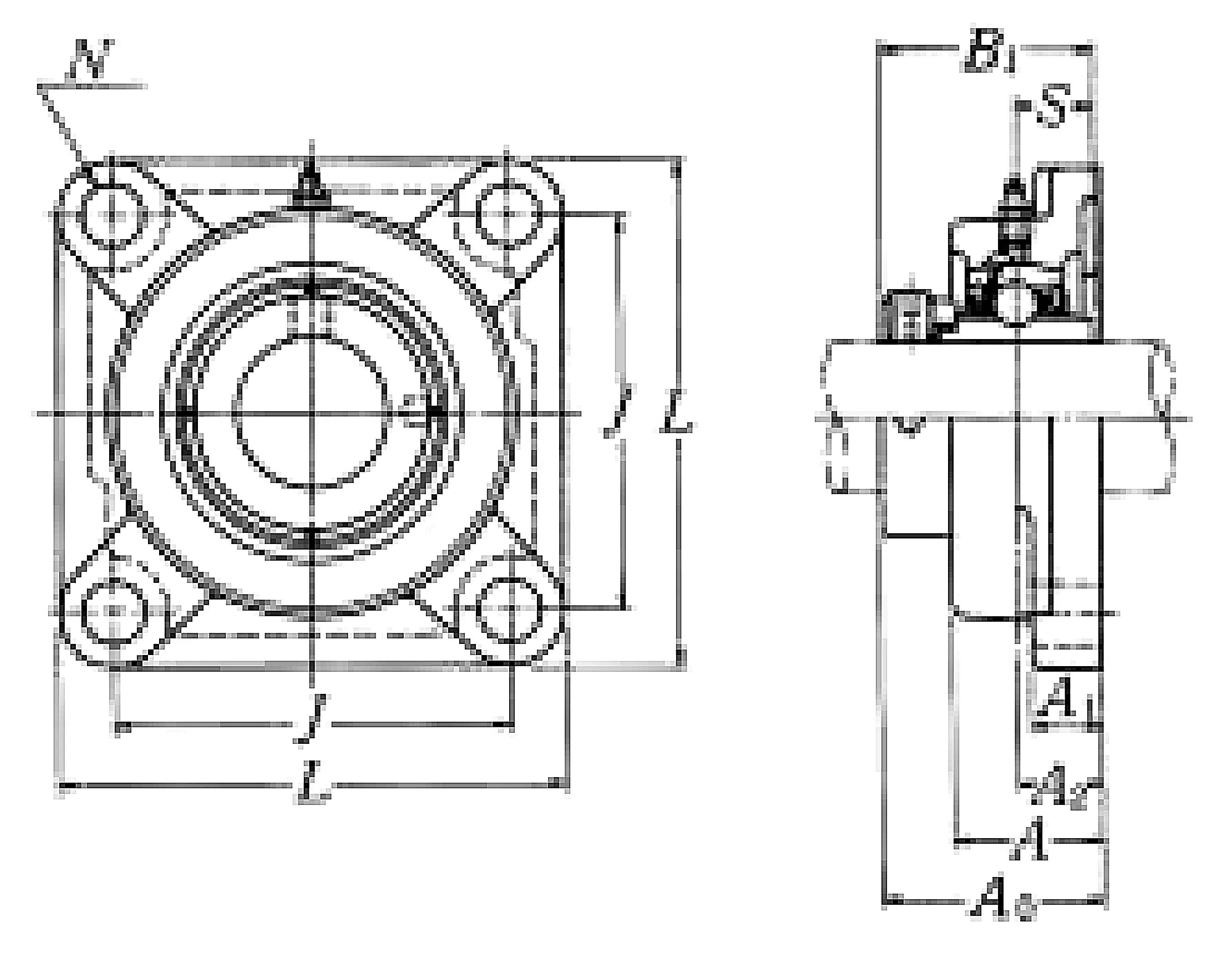
Nominal Dimensions

d 55 mm Bore diameter
L 163 mm Overall length
J 130 mm Distance between attachment bolts
N 18 mm Diameter of attachment bolt hole
A2 31 mm Flange width
A1 21 mm Flange width
A 49 mm Base width
A0 74.6 mm Overall width
B,B1,B2 71.4 mm Width of inner ring
S 27.75 mm Distance from Opposite side face of locking device to raceway centre

Mounting information

G M16 Bolt size

Basic Load Ratings

Cr 43.5 kN Basic dynamic load rating
C0r 29.2 kN Basic static load rating

Mass

mass 3.9 kg Mass approx.

Questions?

We are here to help.

admin@jfubearing.com

Get expert sales advice within 12 hours.

💬

+86-15961837791

Chat with us now for a quick response.

Contact us now to get a free quote or estimate.