ZM-UKF211D1-

Time:2025-11-25Edit:JFU Bearing
ZM-UKF211D1

ZM-UKF211D1

/uploads/pic/gpihdhx1fqg373_20251120100457.webp

ZM-UKF211D1

Designations

ZM-UKF211D1

Included products

Bearing UK211D1 Bearing
Housing F211D1 Housing

Associated products

Adapter sleeve H2311X Adapter sleeve

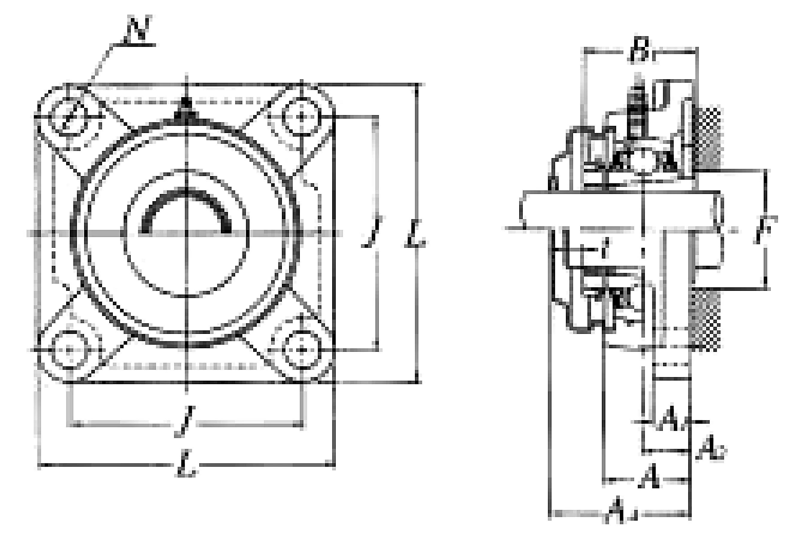
Nominal Dimensions

d 50 mm Bore diameter
L 162 mm Overall length
J 130 mm Distance between attachment bolts
N 19 mm Diameter of attachment bolt hole
A2 25 mm Flange width
A1 18 mm Flange width
A 43 mm Base width
A4 64 mm Width including end cover
A0 54.5 mm Overall width
B,B1,B2 59 mm Width of inner ring
F 64 mm Diameter of housing abutment
t 4 mm Clearance

Mounting information

G M16 Bolt size

Basic Load Ratings

Cr 43.5 kN Basic dynamic load rating
C0r 29.2 kN Basic static load rating

Mass

mass 3.6 kg Mass approx.

Questions?

We are here to help.

admin@jfubearing.com

Get expert sales advice within 12 hours.

💬

+86-15961837791

Chat with us now for a quick response.

Contact us now to get a free quote or estimate.