CM-UCF209D1-

Time:2025-11-25Edit:JFU Bearing
CM-UCF209D1

CM-UCF209D1

/uploads/pic/ovxwuezkix3305_20251120094651.webp

CM-UCF209D1

Designations

CM-UCF209D1

Included products

Bearing UC209D1 Bearing
Housing F209D1 Housing

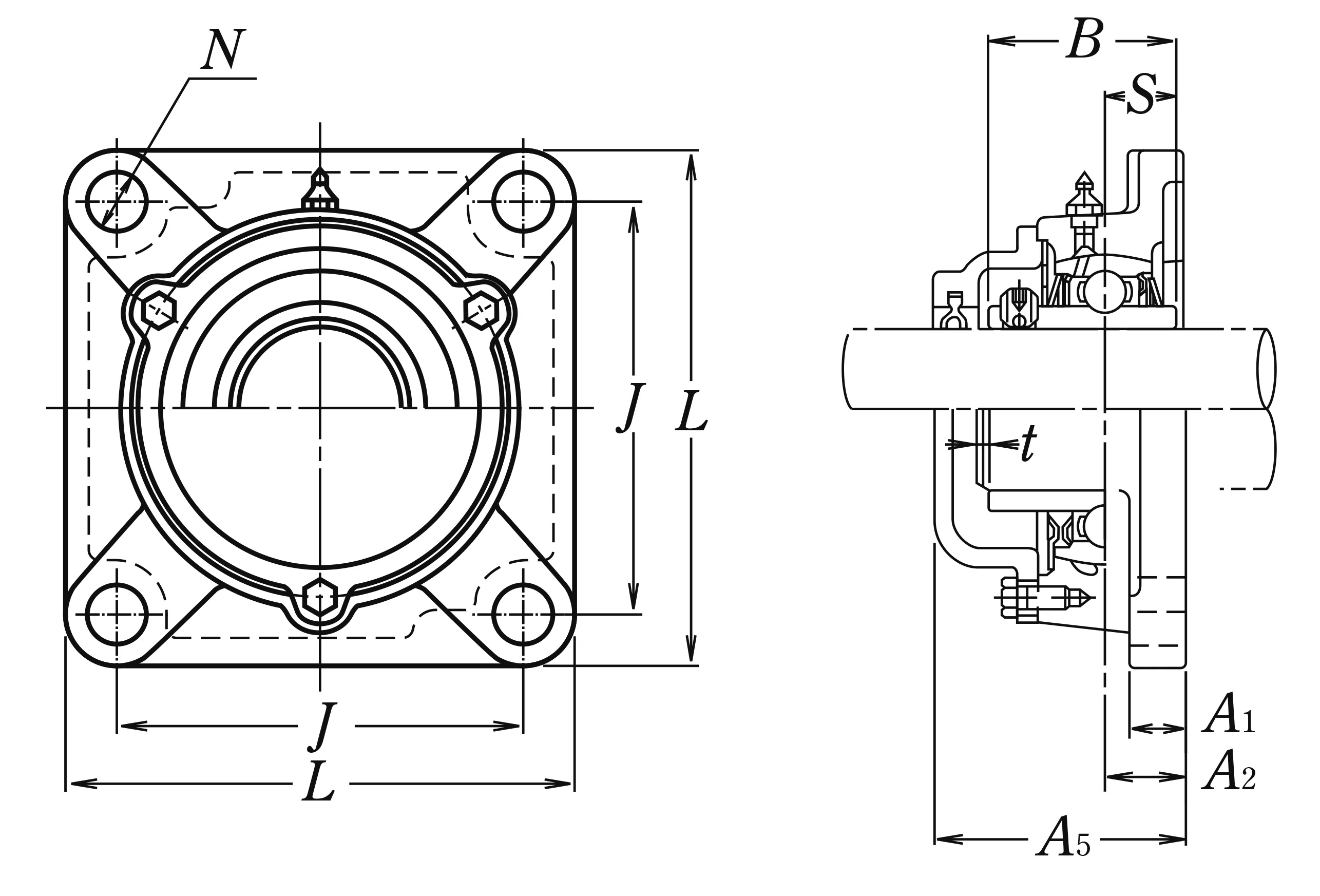
Nominal Dimensions

d 45 mm Bore diameter
L 137 mm Overall length
J 105 mm Distance between attachment bolts
N 16 mm Diameter of attachment bolt hole
A2 22 mm Flange width
A1 16 mm Flange width
A5 70 mm Width including end cover
A0 52.2 mm Overall width
B,B1,B2 49.2 mm Width of inner ring
t 3 mm Clearance
S 19 mm Distance from Opposite side face of locking device to raceway centre

Mounting information

G M14 Bolt size

Basic Load Ratings

Cr 32.5 kN Basic dynamic load rating
C0r 20.4 kN Basic static load rating

Mass

mass 2.6 kg Mass approx.

Questions?

We are here to help.

admin@jfubearing.com

Get expert sales advice within 12 hours.

💬

+86-15961837791

Chat with us now for a quick response.

Contact us now to get a free quote or estimate.