CM-UCF308D1-

Time:2025-11-25Edit:JFU Bearing
CM-UCF308D1

CM-UCF308D1

/uploads/pic/4to0gohqo1l279_20251120093038.webp

CM-UCF308D1

Designations

CM-UCF308D1

Included products

Bearing UC308D1 Bearing
Housing F308D1 Housing

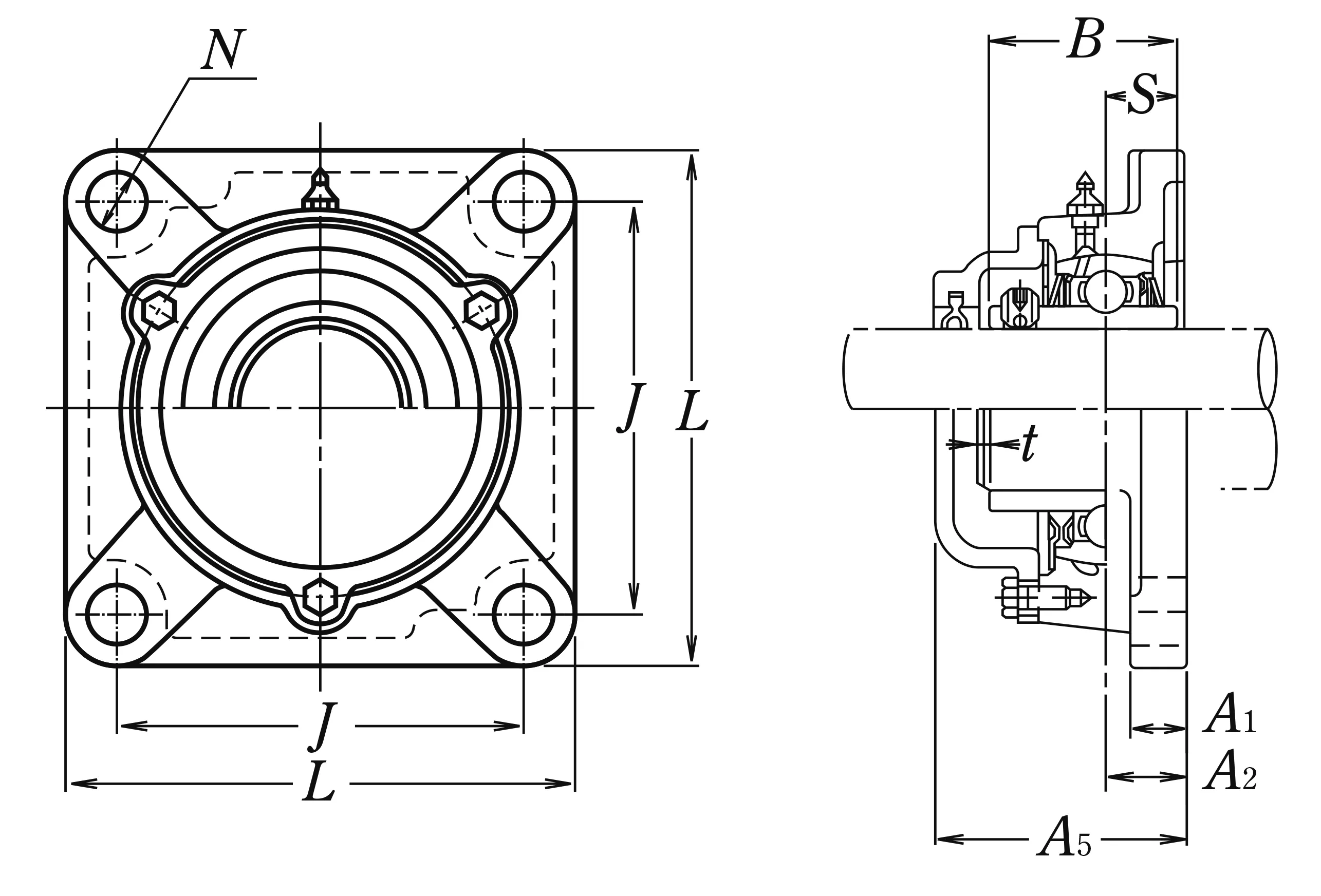
Nominal Dimensions

d 40 mm Bore diameter
L 150 mm Overall length
J 112 mm Distance between attachment bolts
N 19 mm Diameter of attachment bolt hole
A2 23 mm Flange width
A1 17 mm Flange width
A5 76 mm Width including end cover
A0 56 mm Overall width
B,B1,B2 52 mm Width of inner ring
t 3 mm Clearance
S 19 mm Distance from Opposite side face of locking device to raceway centre

Mounting information

G M16 Bolt size

Basic Load Ratings

Cr 40.5 kN Basic dynamic load rating
C0r 24 kN Basic static load rating

Mass

mass 3.4 kg Mass approx.

Questions?

We are here to help.

admin@jfubearing.com

Get expert sales advice within 12 hours.

💬

+86-15961837791

Chat with us now for a quick response.

Contact us now to get a free quote or estimate.