UELFU207D1-

Time:2025-11-25Edit:JFU Bearing
UELFU207D1

UELFU207D1

/uploads/pic/zdzmsl2z1wz195_20251120083949.webp

UELFU207D1

Designations

UELFU207D1

Included products

Bearing UEL207D1 Bearing
Housing FU207D1 Housing

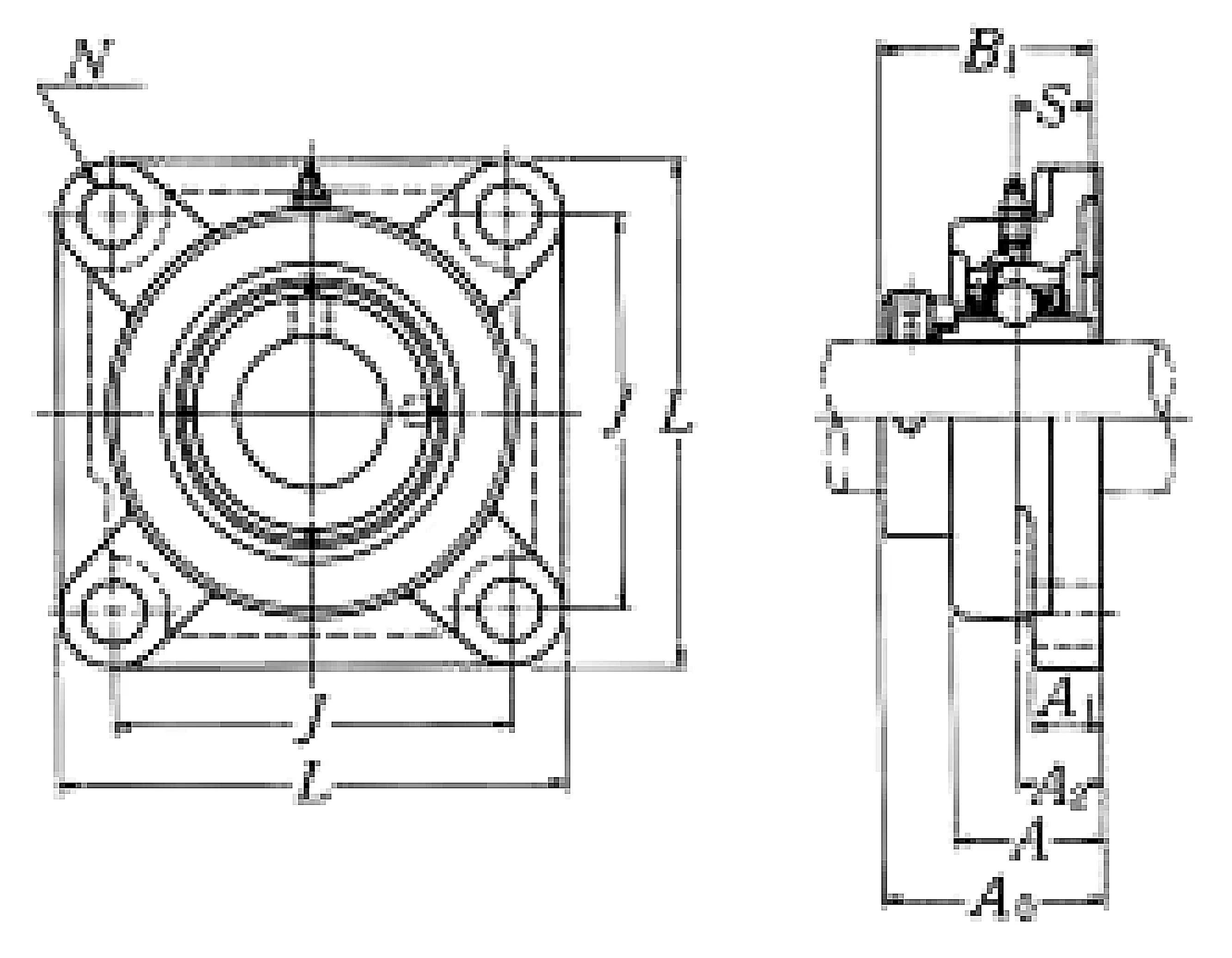
Nominal Dimensions

d 35 mm Bore diameter
L 118 mm Overall length
J 92 mm Distance between attachment bolts
N 14 mm Diameter of attachment bolt hole
A2 21 mm Flange width
A1 17 mm Flange width
A 36 mm Base width
A0 53.3 mm Overall width
B,B1,B2 51.1 mm Width of inner ring
S 18.8 mm Distance from Opposite side face of locking device to raceway centre

Mounting information

G M12 Bolt size

Basic Load Ratings

Cr 25.7 kN Basic dynamic load rating
C0r 15.3 kN Basic static load rating

Mass

mass 1.7 kg Mass approx.

Questions?

We are here to help.

admin@jfubearing.com

Get expert sales advice within 12 hours.

💬

+86-15961837791

Chat with us now for a quick response.

Contact us now to get a free quote or estimate.