CM-UCF207D1-

Time:2025-11-25Edit:JFU Bearing
CM-UCF207D1

CM-UCF207D1

/uploads/pic/nbcurkst4gx193_20251120083933.webp

CM-UCF207D1

Designations

CM-UCF207D1

Included products

Bearing UC207D1 Bearing
Housing F207D1 Housing

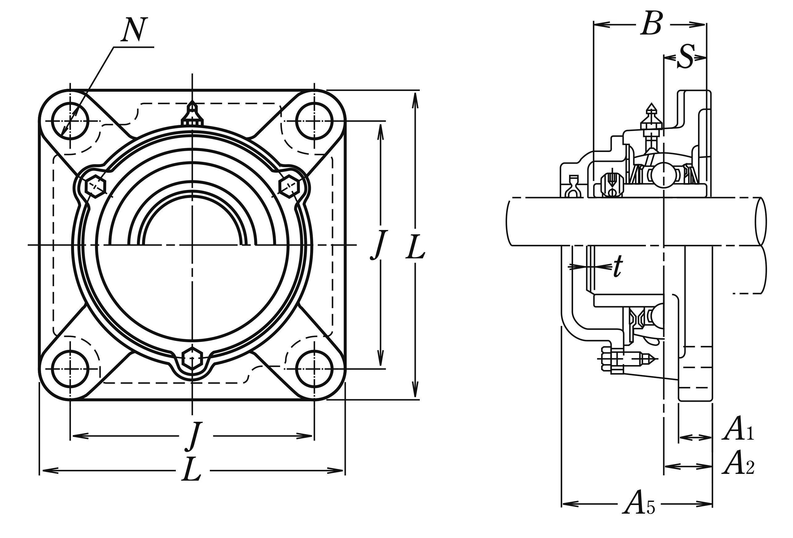
Nominal Dimensions

d 35 mm Bore diameter
L 117 mm Overall length
J 92 mm Distance between attachment bolts
N 14 mm Diameter of attachment bolt hole
A2 19 mm Flange width
A1 15 mm Flange width
A5 59 mm Width including end cover
A0 44.4 mm Overall width
B,B1,B2 42.9 mm Width of inner ring
t 3 mm Clearance
S 17.5 mm Distance from Opposite side face of locking device to raceway centre

Mounting information

G M12 Bolt size

Basic Load Ratings

Cr 25.7 kN Basic dynamic load rating
C0r 15.3 kN Basic static load rating

Mass

mass 1.8 kg Mass approx.

Questions?

We are here to help.

admin@jfubearing.com

Get expert sales advice within 12 hours.

💬

+86-15961837791

Chat with us now for a quick response.

Contact us now to get a free quote or estimate.