CM-UKFX05D1-

Time:2025-11-25Edit:JFU Bearing
CM-UKFX05D1

CM-UKFX05D1

/uploads/pic/ohppbo5ydny57_20251120080108.webp

CM-UKFX05D1

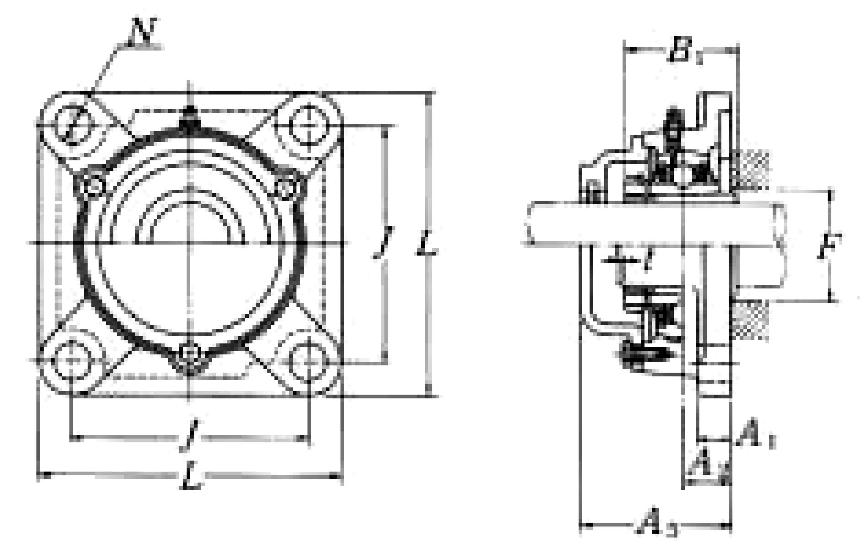
Designations

CM-UKFX05D1

Included products

Bearing UKX05D1 Bearing
Housing FX05D1 Housing

Associated products

Adapter sleeve H2305X Adapter sleeve

Nominal Dimensions

d 20 mm Bore diameter
L 108 mm Overall length
J 83 mm Distance between attachment bolts
N 12 mm Diameter of attachment bolt hole
A2 18 mm Flange width
A1 13 mm Flange width
A5 56 mm Width including end cover
A0 39 mm Overall width
B,B1,B2 35 mm Width of inner ring
t 2 mm Clearance

Mounting information

G M10 Bolt size

Basic Load Ratings

Cr 19.5 kN Basic dynamic load rating
C0r 11.3 kN Basic static load rating

Mass

mass 1.3 kg Mass approx.

Questions?

We are here to help.

admin@jfubearing.com

Get expert sales advice within 12 hours.

💬

+86-15961837791

Chat with us now for a quick response.

Contact us now to get a free quote or estimate.