CM-UCF203D1-

Time:2025-11-25Edit:JFU Bearing
CM-UCF203D1

CM-UCF203D1

/uploads/pic/lbx3jvh12ju29_20251120075708.webp

CM-UCF203D1

Designations

CM-UCF203D1

Included products

Bearing UC203D1 Bearing
Housing F204D1 Housing

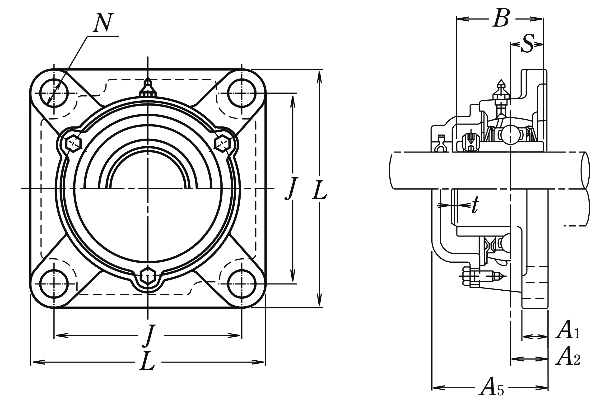
Nominal Dimensions

d 17 mm Bore diameter
L 86 mm Overall length
J 64 mm Distance between attachment bolts
N 12 mm Diameter of attachment bolt hole
A2 15 mm Flange width
A1 11 mm Flange width
A5 46 mm Width including end cover
A0 33.3 mm Overall width
B,B1,B2 31 mm Width of inner ring
t 2 mm Clearance
S 12.7 mm Distance from Opposite side face of locking device to raceway centre

Mounting information

G M10 Bolt size

Basic Load Ratings

Cr 12.8 kN Basic dynamic load rating
C0r 6.65 kN Basic static load rating

Mass

mass 0.8 kg Mass approx.

Questions?

We are here to help.

admin@jfubearing.com

Get expert sales advice within 12 hours.

💬

+86-15961837791

Chat with us now for a quick response.

Contact us now to get a free quote or estimate.