UCPG208D1-

Time:2025-11-25Edit:JFU Bearing
UCPG208D1

UCPG208D1

/uploads/pic/yc3bo32ytr1989_20251120124312.webp

UCPG208D1

Designations

UCPG208D1

Included products

Bearing UC208D1 Bearing
Housing PG208D1 Housing

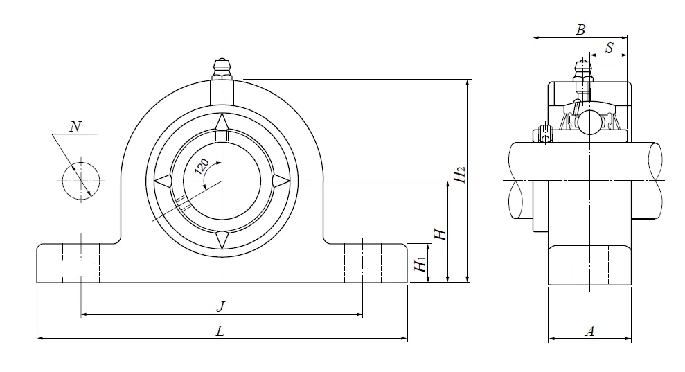
Nominal Dimensions

d 40 mm Bore diameter
L 184 mm Overall length
H 49.2 mm Height of spherical seat centre
J 137 mm Distance between attachment bolts
N 17 mm Diameter of attachment bolt hole
A 40 mm Base width
H1 18 mm Distance between bottoms of piloting grooves
B 49.2 mm Width of inner ring
S 19 mm Distance from Opposite side face of locking device to raceway centre
H2 98 mm Overall height

Mounting information

G M14 Bolt size

Basic Load Ratings

Cr 29.1 kN Basic dynamic load rating
C0r 17.8 kN Basic static load rating

Mass

mass 1.9 kg Mass approx.

Questions?

We are here to help.

admin@jfubearing.com

Get expert sales advice within 12 hours.

💬

+86-15961837791

Chat with us now for a quick response.

Contact us now to get a free quote or estimate.