UKPE208D1-

Time:2025-11-25Edit:JFU Bearing
UKPE208D1

UKPE208D1

/uploads/pic/y3c2kcifpco941_20251120123043.webp

UKPE208D1

Designations

UKPE208D1

Included products

Bearing UK208D1 Bearing
Housing PE208D1 Housing

Associated products

Adapter sleeve H2308X Adapter sleeve

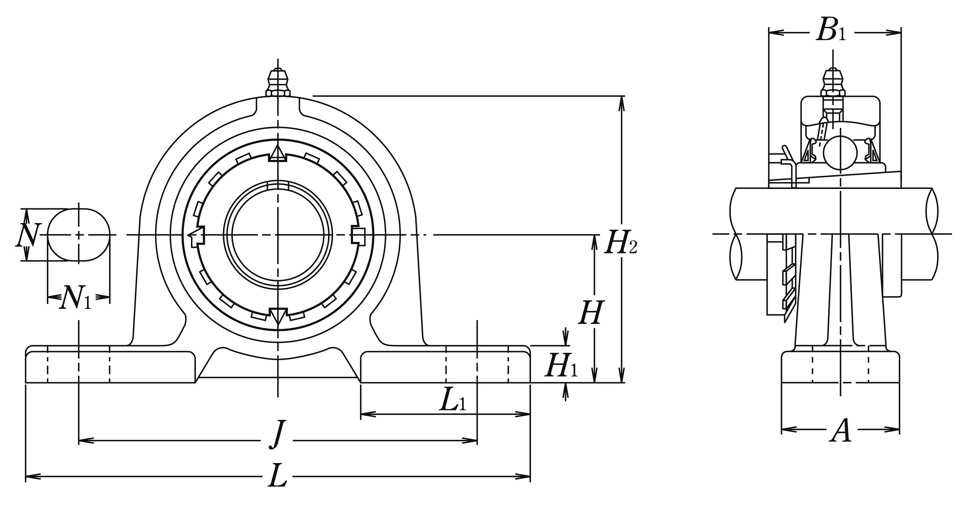
Nominal Dimensions

d 35 mm Bore diameter
N1 20 mm Length of attachment bolt hole
L 171 mm Overall length
H 49.2 mm Height of spherical seat centre
J 137 mm Distance between attachment bolts
N 17 mm Diameter of attachment bolt hole
A 40 mm Base width
H1 12 mm Distance between bottoms of piloting grooves
B1 46 mm Width of inner ring
L1 52 mm Foot width
H2 98 mm Overall height

Mounting information

G M14 Bolt size

Basic Load Ratings

Cr 29.1 kN Basic dynamic load rating
C0r 17.8 kN Basic static load rating

Mass

mass 1.5 kg Mass approx.

Questions?

We are here to help.

admin@jfubearing.com

Get expert sales advice within 12 hours.

💬

+86-15961837791

Chat with us now for a quick response.

Contact us now to get a free quote or estimate.