UCPE206D1-

Time:2025-11-25Edit:JFU Bearing
UCPE206D1

UCPE206D1

/uploads/pic/ez1pkkr3o3y235_20251119160826.webp

UCPE206D1

Designations

UCPE206D1

Included products

Bearing UC206D1 Bearing
Housing PE206D1 Housing

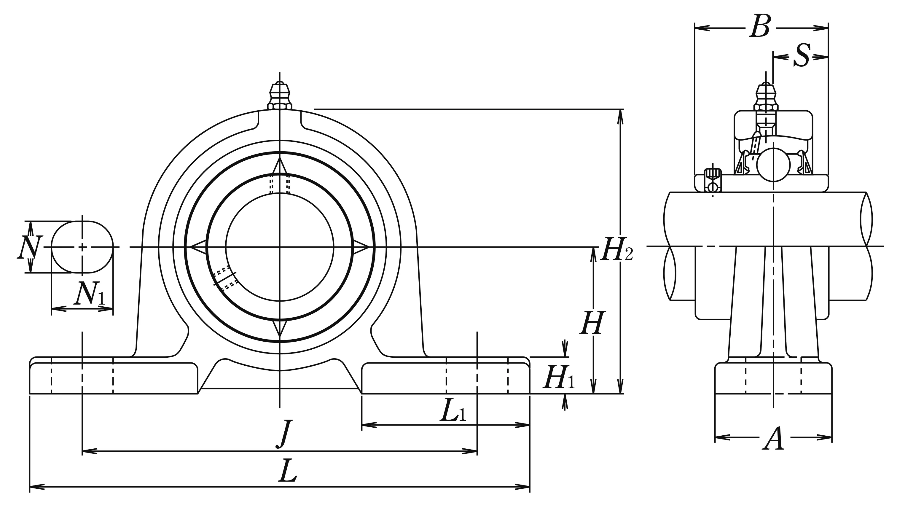
Nominal Dimensions

d 30 mm Bore diameter
N1 20 mm Length of attachment bolt hole
L 155 mm Overall length
H 42.9 mm Height of spherical seat centre
J 121 mm Distance between attachment bolts
N 17 mm Diameter of attachment bolt hole
A 36 mm Base width
H1 11 mm Distance between bottoms of piloting grooves
B 38.1 mm Width of inner ring
S 15.9 mm Distance from Opposite side face of locking device to raceway centre
L1 54 mm Foot width
H2 82 mm Overall height

Mounting information

G M14 Bolt size

Basic Load Ratings

Cr 19.5 kN Basic dynamic load rating
C0r 11.3 kN Basic static load rating

Mass

mass 0.8 kg Mass approx.

Questions?

We are here to help.

admin@jfubearing.com

Get expert sales advice within 12 hours.

💬

+86-15961837791

Chat with us now for a quick response.

Contact us now to get a free quote or estimate.