AELPP206-

Time:2025-11-25Edit:JFU Bearing
AELPP206

AELPP206

/uploads/pic/kznfxf5hh0l217_20251119160331.webp

AELPP206

Designations

AELPP206

Included products

Bearing AEL206 Bearing
Housing PP206 Housing

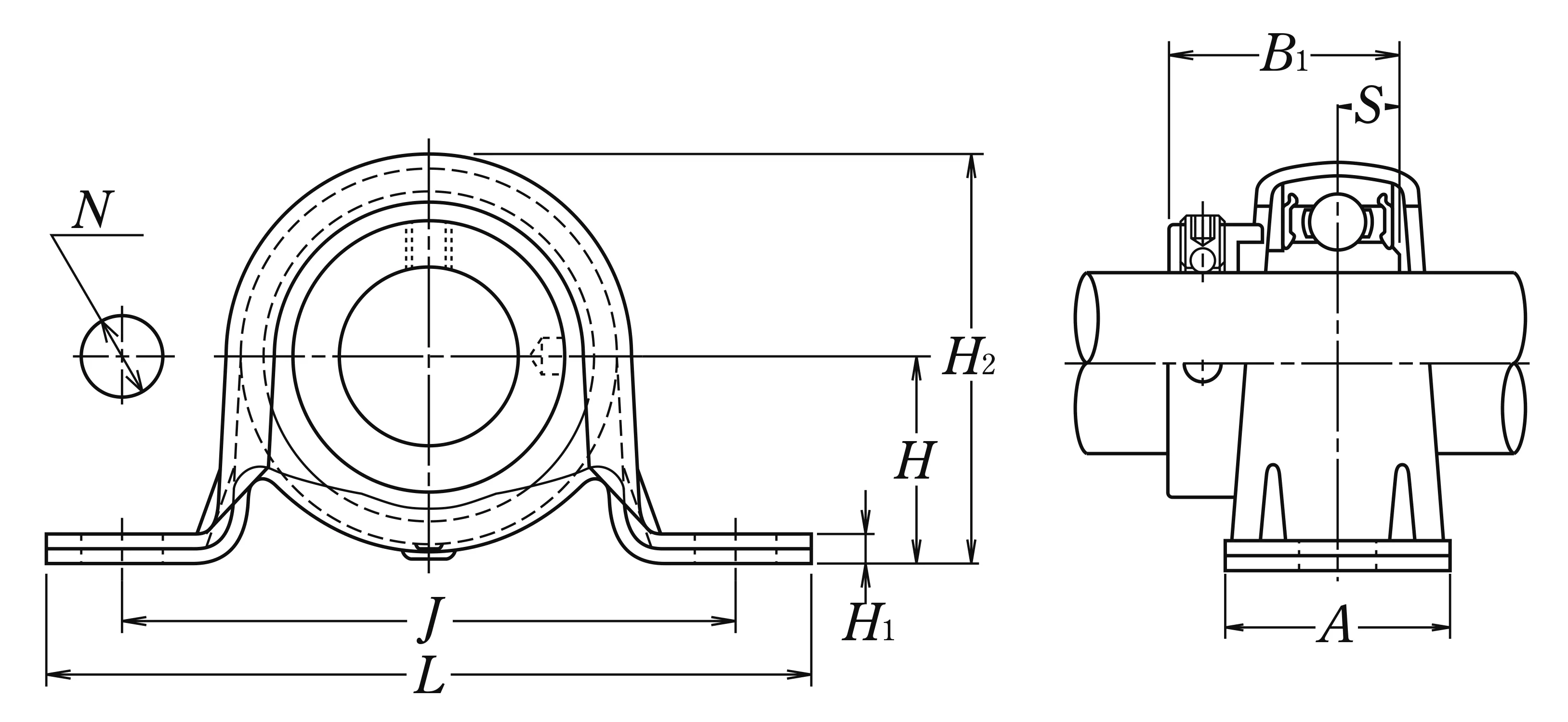
Nominal Dimensions

d 30 mm Bore diameter
L 117 mm Overall length
H 33.3 mm Height of spherical seat centre
J 95 mm Distance between attachment bolts
N 11.5 mm Diameter of attachment bolt hole
A 38 mm Base width
H1 4 mm Distance between bottoms of piloting grooves
B1 35.7 mm Width of inner ring
S 9 mm Distance from Opposite side face of locking device to raceway centre
H2 66.3 mm Overall height

Mounting information

G M10 Bolt size

Permissible housing load

CR 4 kN Radial
CA 1.6 kN Axial

Basic Load Ratings

Cr 19.5 kN Basic dynamic load rating
C0r 11.3 kN Basic static load rating

Mass

mass 0.5 kg Mass approx.

Questions?

We are here to help.

admin@jfubearing.com

Get expert sales advice within 12 hours.

💬

+86-15961837791

Chat with us now for a quick response.

Contact us now to get a free quote or estimate.