AELPP205-

Time:2025-11-25Edit:JFU Bearing
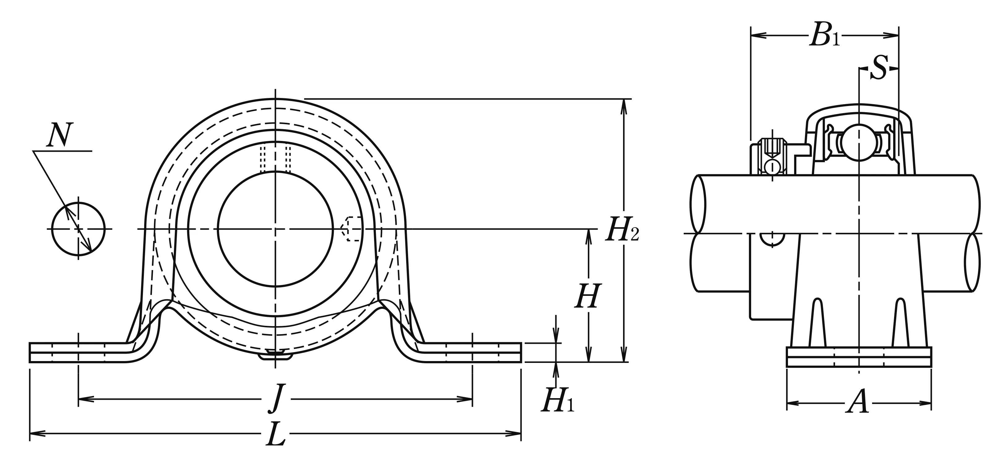
AELPP205

AELPP205

/uploads/pic/lhy4reqiq34145_20251119153959.webp

AELPP205

Designations

AELPP205

Included products

Bearing AEL205 Bearing
Housing PP205 Housing

Nominal Dimensions

d 25 mm Bore diameter
L 108 mm Overall length
H 28.6 mm Height of spherical seat centre
J 86 mm Distance between attachment bolts
N 11.5 mm Diameter of attachment bolt hole
A 32 mm Base width
H1 4 mm Distance between bottoms of piloting grooves
B1 31 mm Width of inner ring
S 7.5 mm Distance from Opposite side face of locking device to raceway centre
H2 56.6 mm Overall height

Mounting information

G M10 Bolt size

Permissible housing load

CR 3.5 kN Radial
CA 1.4 kN Axial

Basic Load Ratings

Cr 14 kN Basic dynamic load rating
C0r 7.85 kN Basic static load rating

Mass

mass 0.3 kg Mass approx.

Questions?

We are here to help.

admin@jfubearing.com

Get expert sales advice within 12 hours.

💬

+86-15961837791

Chat with us now for a quick response.

Contact us now to get a free quote or estimate.