UCFL326D1-

Time:2025-11-25Edit:JFU Bearing
UCFL326D1

UCFL326D1

/uploads/pic/2llofzgtl3h2277_20251120194018.webp

UCFL326D1

Designations

UCFL326D1

Included products

Bearing UC326D1 Bearing
Housing FL326D1 Housing

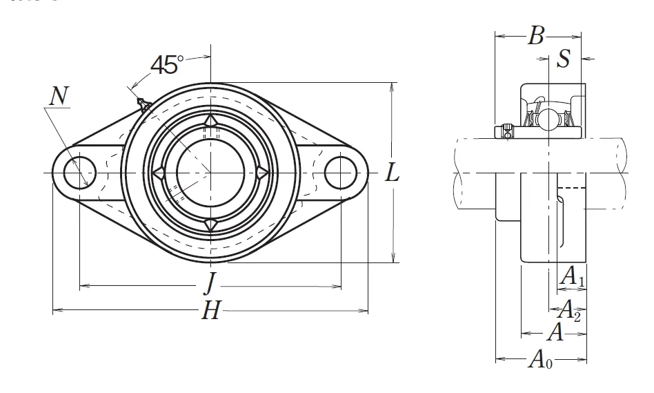
Nominal Dimensions

d 130 mm Bore diameter
L,L1 360 mm Overall height
J 460 mm Distance between attachment bolts
N 47 mm Diameter of attachment bolt hole
A2 65 mm Flange width
A1 50 mm Flange width
A 115 mm Base width
A0 146 mm Overall width
B,B1,B2 135 mm Width of inner ring
H 550 mm Overall length
S 54 mm Distance from Opposite side face of locking device to raceway centre

Mounting information

G M42 Bolt size

Basic Load Ratings

Cr 229 kN Basic dynamic load rating
C0r 214 kN Basic static load rating

Mass

mass 58 kg Mass approx.

Questions?

We are here to help.

admin@jfubearing.com

Get expert sales advice within 12 hours.

💬

+86-15961837791

Chat with us now for a quick response.

Contact us now to get a free quote or estimate.