UCFL324D1-

Time:2025-11-25Edit:JFU Bearing
UCFL324D1

UCFL324D1

/uploads/pic/3sae3ascjri2265_20251120193700.webp

UCFL324D1

Designations

UCFL324D1

Included products

Bearing UC324D1 Bearing
Housing FL324D1 Housing

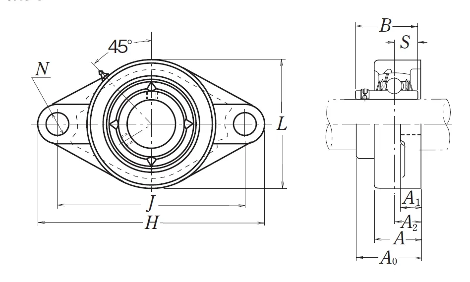
Nominal Dimensions

d 120 mm Bore diameter
L,L1 330 mm Overall height
J 430 mm Distance between attachment bolts
N 47 mm Diameter of attachment bolt hole
A2 65 mm Flange width
A1 48 mm Flange width
A 110 mm Base width
A0 140 mm Overall width
B,B1,B2 126 mm Width of inner ring
H 520 mm Overall length
S 51 mm Distance from Opposite side face of locking device to raceway centre

Mounting information

G M42 Bolt size

Basic Load Ratings

Cr 207 kN Basic dynamic load rating
C0r 185 kN Basic static load rating

Mass

mass 48 kg Mass approx.

Questions?

We are here to help.

admin@jfubearing.com

Get expert sales advice within 12 hours.

💬

+86-15961837791

Chat with us now for a quick response.

Contact us now to get a free quote or estimate.