UCFL319D1-

Time:2025-11-25Edit:JFU Bearing
UCFL319D1

UCFL319D1

/uploads/pic/deyz3f33xch2223_20251120192304.webp

UCFL319D1

Designations

UCFL319D1

Included products

Bearing UC319D1 Bearing
Housing FL319D1 Housing

Nominal Dimensions

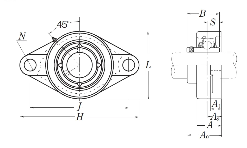
d 95 mm Bore diameter
L,L1 250 mm Overall height
J 330 mm Distance between attachment bolts
N 41 mm Diameter of attachment bolt hole
A2 59 mm Flange width
A1 40 mm Flange width
A 94 mm Base width
A0 121 mm Overall width
B,B1,B2 103 mm Width of inner ring
H 405 mm Overall length
S 41 mm Distance from Opposite side face of locking device to raceway centre

Mounting information

G M36 Bolt size

Basic Load Ratings

Cr 153 kN Basic dynamic load rating
C0r 119 kN Basic static load rating

Mass

mass 22 kg Mass approx.

Questions?

We are here to help.

admin@jfubearing.com

Get expert sales advice within 12 hours.

💬

+86-15961837791

Chat with us now for a quick response.

Contact us now to get a free quote or estimate.