UCFL318D1-

Time:2025-11-25Edit:JFU Bearing
UCFL318D1

UCFL318D1

/uploads/pic/3wyamyaef2e2211_20251120192029.webp

UCFL318D1

Designations

UCFL318D1

Included products

Bearing UC318D1 Bearing
Housing FL318D1 Housing

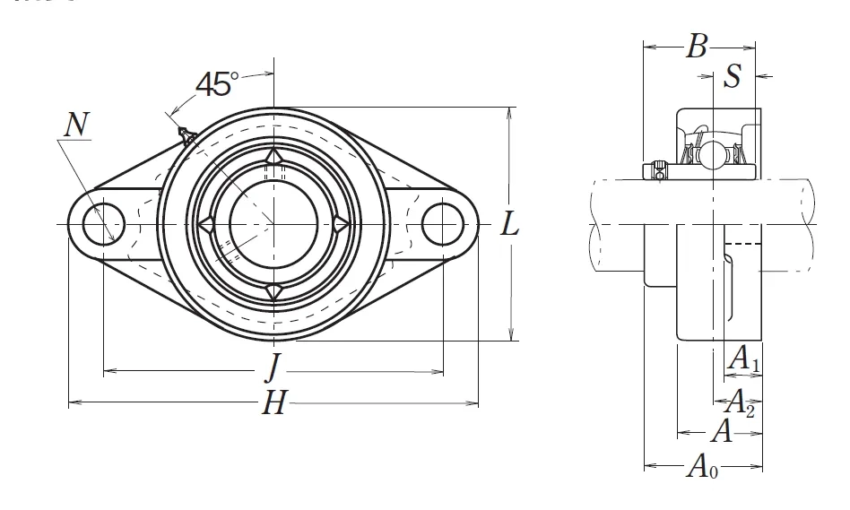
Nominal Dimensions

d 90 mm Bore diameter
L,L1 235 mm Overall height
J 315 mm Distance between attachment bolts
N 38 mm Diameter of attachment bolt hole
A2 44 mm Flange width
A1 36 mm Flange width
A 76 mm Base width
A0 100 mm Overall width
B,B1,B2 96 mm Width of inner ring
H 385 mm Overall length
S 40 mm Distance from Opposite side face of locking device to raceway centre

Mounting information

G M33 Bolt size

Basic Load Ratings

Cr 143 kN Basic dynamic load rating
C0r 107 kN Basic static load rating

Mass

mass 17 kg Mass approx.

Questions?

We are here to help.

admin@jfubearing.com

Get expert sales advice within 12 hours.

💬

+86-15961837791

Chat with us now for a quick response.

Contact us now to get a free quote or estimate.