UCFL316D1-

Time:2025-11-25Edit:JFU Bearing
UCFL316D1

UCFL316D1

/uploads/pic/td2gf3ugeag2175_20251120191237.webp

UCFL316D1

Designations

UCFL316D1

Included products

Bearing UC316D1 Bearing
Housing FL316D1 Housing

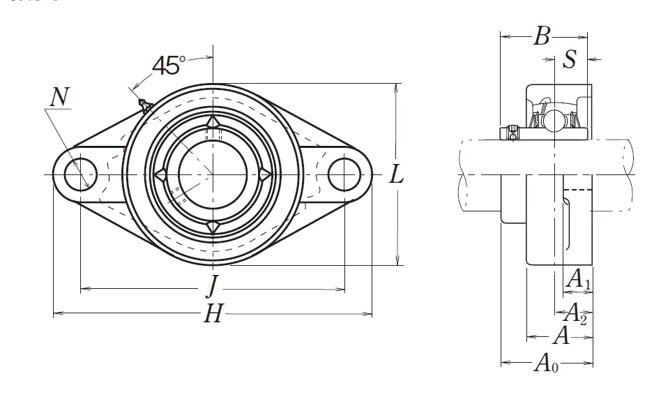
Nominal Dimensions

d 80 mm Bore diameter
L,L1 210 mm Overall height
J 285 mm Distance between attachment bolts
N 38 mm Diameter of attachment bolt hole
A2 38 mm Flange width
A1 32 mm Flange width
A 68 mm Base width
A0 90 mm Overall width
B,B1,B2 86 mm Width of inner ring
H 355 mm Overall length
S 34 mm Distance from Opposite side face of locking device to raceway centre

Mounting information

G M33 Bolt size

Basic Load Ratings

Cr 123 kN Basic dynamic load rating
C0r 86.5 kN Basic static load rating

Mass

mass 13 kg Mass approx.

Questions?

We are here to help.

admin@jfubearing.com

Get expert sales advice within 12 hours.

💬

+86-15961837791

Chat with us now for a quick response.

Contact us now to get a free quote or estimate.