UCFL216D1-

Time:2025-11-25Edit:JFU Bearing
UCFL216D1

UCFL216D1

/uploads/pic/awnfezduakj2163_20251120191004.webp

UCFL216D1

Designations

UCFL216D1

Included products

Bearing UC216D1 Bearing
Housing FL216D1 Housing

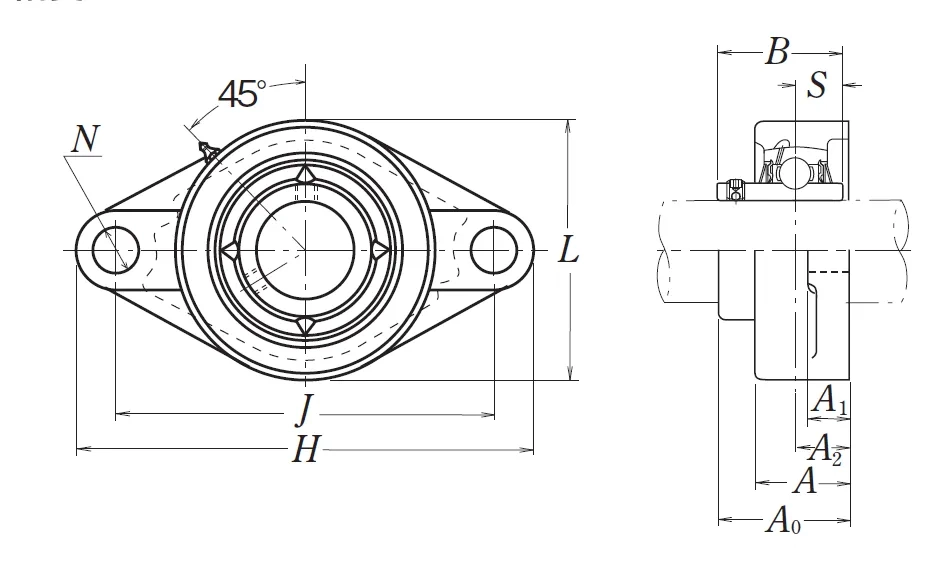
Nominal Dimensions

d 80 mm Bore diameter
L,L1 180 mm Overall height
J 233 mm Distance between attachment bolts
N 25 mm Diameter of attachment bolt hole
A2 34 mm Flange width
A1 22 mm Flange width
A 58 mm Base width
A0 83.3 mm Overall width
B,B1,B2 82.6 mm Width of inner ring
H 290 mm Overall length
S 33.3 mm Distance from Opposite side face of locking device to raceway centre

Mounting information

G M22 Bolt size

Basic Load Ratings

Cr 72.5 kN Basic dynamic load rating
C0r 53 kN Basic static load rating

Mass

mass 7.4 kg Mass approx.

Questions?

We are here to help.

admin@jfubearing.com

Get expert sales advice within 12 hours.

💬

+86-15961837791

Chat with us now for a quick response.

Contact us now to get a free quote or estimate.