UCFL314D1-

Time:2025-11-25Edit:JFU Bearing
UCFL314D1

UCFL314D1

/uploads/pic/kqj4sitvyff2127_20251120190236.webp

UCFL314D1

Designations

UCFL314D1

Included products

Bearing UC314D1 Bearing
Housing FL314D1 Housing

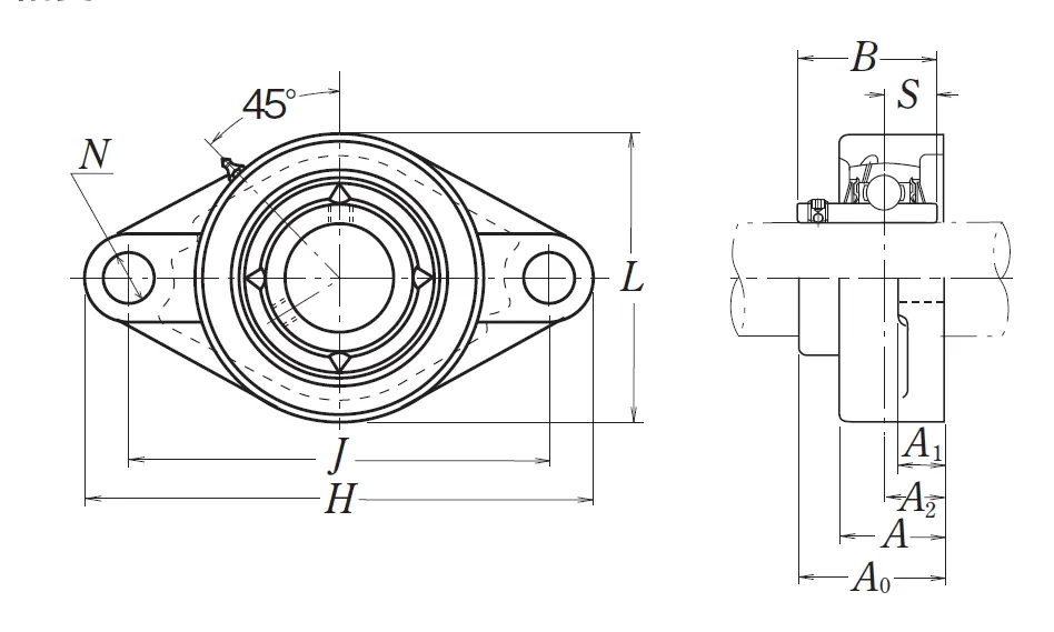
Nominal Dimensions

d 70 mm Bore diameter
L,L1 185 mm Overall height
J 250 mm Distance between attachment bolts
N 35 mm Diameter of attachment bolt hole
A2 36 mm Flange width
A1 28 mm Flange width
A 61 mm Base width
A0 81 mm Overall width
B,B1,B2 78 mm Width of inner ring
H 315 mm Overall length
S 33 mm Distance from Opposite side face of locking device to raceway centre

Mounting information

G M30 Bolt size

Basic Load Ratings

Cr 104 kN Basic dynamic load rating
C0r 68 kN Basic static load rating

Mass

mass 8.6 kg Mass approx.

Questions?

We are here to help.

admin@jfubearing.com

Get expert sales advice within 12 hours.

💬

+86-15961837791

Chat with us now for a quick response.

Contact us now to get a free quote or estimate.