UCFL313D1-

Time:2025-11-25Edit:JFU Bearing
UCFL313D1

UCFL313D1

/uploads/pic/pzbkd3ywuaj2103_20251120185757.webp

UCFL313D1

Designations

UCFL313D1

Included products

Bearing UC313D1 Bearing
Housing FL313D1 Housing

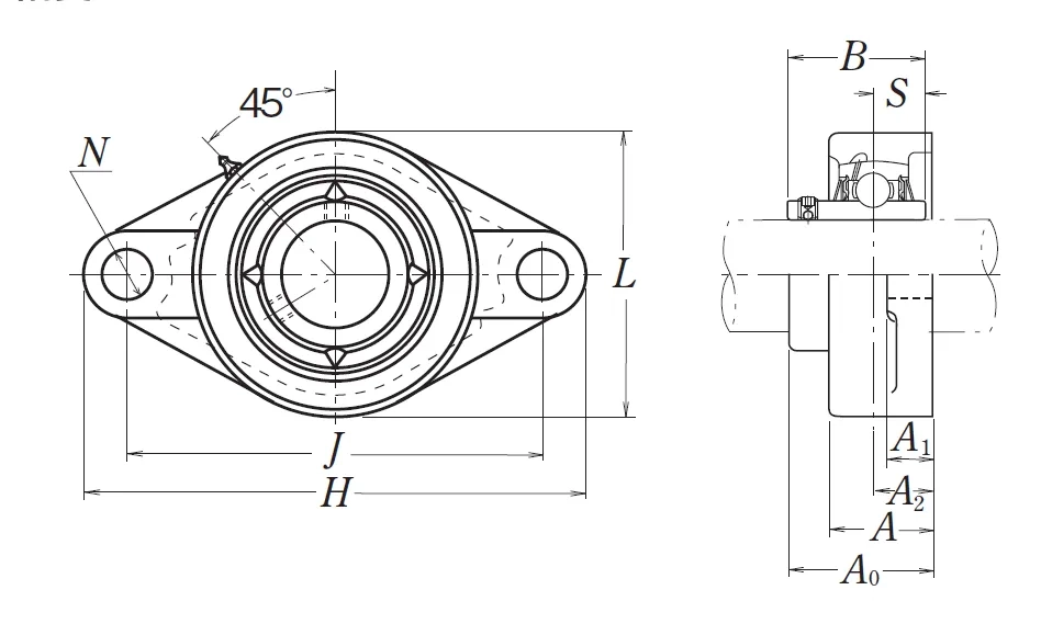
Nominal Dimensions

d 65 mm Bore diameter
L,L1 175 mm Overall height
J 240 mm Distance between attachment bolts
N 31 mm Diameter of attachment bolt hole
A2 33 mm Flange width
A1 25 mm Flange width
A 58 mm Base width
A0 78 mm Overall width
B,B1,B2 75 mm Width of inner ring
H 295 mm Overall length
S 30 mm Distance from Opposite side face of locking device to raceway centre

Mounting information

G M27 Bolt size

Basic Load Ratings

Cr 92.5 kN Basic dynamic load rating
C0r 60 kN Basic static load rating

Mass

mass 7.6 kg Mass approx.

Questions?

We are here to help.

admin@jfubearing.com

Get expert sales advice within 12 hours.

💬

+86-15961837791

Chat with us now for a quick response.

Contact us now to get a free quote or estimate.