UCFL312D1-

Time:2025-11-25Edit:JFU Bearing
UCFL312D1

UCFL312D1

/uploads/pic/4zaxyny4ss12075_20251120185202.webp

UCFL312D1

Designations

UCFL312D1

Included products

Bearing UC312D1 Bearing
Housing FL312D1 Housing

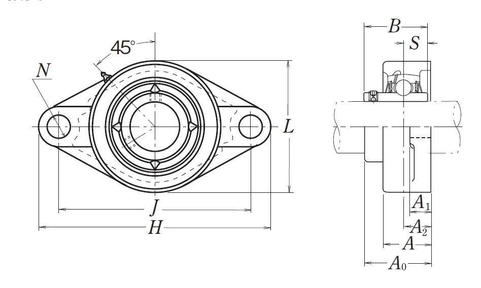
Nominal Dimensions

d 60 mm Bore diameter
L,L1 160 mm Overall height
J 212 mm Distance between attachment bolts
N 31 mm Diameter of attachment bolt hole
A2 33 mm Flange width
A1 22 mm Flange width
A 56 mm Base width
A0 78 mm Overall width
B,B1,B2 71 mm Width of inner ring
H 270 mm Overall length
S 26 mm Distance from Opposite side face of locking device to raceway centre

Mounting information

G M27 Bolt size

Basic Load Ratings

Cr 82 kN Basic dynamic load rating
C0r 52 kN Basic static load rating

Mass

mass 5.7 kg Mass approx.

Questions?

We are here to help.

admin@jfubearing.com

Get expert sales advice within 12 hours.

💬

+86-15961837791

Chat with us now for a quick response.

Contact us now to get a free quote or estimate.