UCFL310D1-

Time:2025-11-25Edit:JFU Bearing
UCFL310D1

UCFL310D1

/uploads/pic/1lshqqupfcz2001_20251120182610.webp

UCFL310D1

Designations

UCFL310D1

Included products

Bearing UC310D1 Bearing
Housing FL310D1 Housing

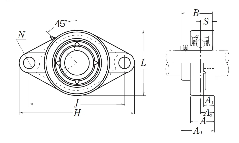
Nominal Dimensions

d 50 mm Bore diameter
L,L1 140 mm Overall height
J 187 mm Distance between attachment bolts
N 25 mm Diameter of attachment bolt hole
A2 28 mm Flange width
A1 19 mm Flange width
A 48 mm Base width
A0 67 mm Overall width
B,B1,B2 61 mm Width of inner ring
H 240 mm Overall length
S 22 mm Distance from Opposite side face of locking device to raceway centre

Mounting information

G M22 Bolt size

Basic Load Ratings

Cr 62 kN Basic dynamic load rating
C0r 38.5 kN Basic static load rating

Mass

mass 4.1 kg Mass approx.

Questions?

We are here to help.

admin@jfubearing.com

Get expert sales advice within 12 hours.

💬

+86-15961837791

Chat with us now for a quick response.

Contact us now to get a free quote or estimate.