UCFL210D1-

Time:2025-11-25Edit:JFU Bearing
UCFL210D1

UCFL210D1

/uploads/pic/fdss5hlk3mk1973_20251120182132.webp

UCFL210D1

Designations

UCFL210D1

Included products

Bearing UC210D1 Bearing
Housing FL210D1 Housing

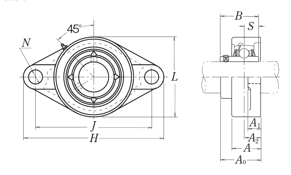
Nominal Dimensions

d 50 mm Bore diameter
L,L1 115 mm Overall height
J 157 mm Distance between attachment bolts
N 19 mm Diameter of attachment bolt hole
A2 22 mm Flange width
A1 16 mm Flange width
A 40 mm Base width
A0 54.6 mm Overall width
B,B1,B2 51.6 mm Width of inner ring
H 197 mm Overall length
S 19 mm Distance from Opposite side face of locking device to raceway centre

Mounting information

G M16 Bolt size

Basic Load Ratings

Cr 35 kN Basic dynamic load rating
C0r 23.2 kN Basic static load rating

Mass

mass 2 kg Mass approx.

Questions?

We are here to help.

admin@jfubearing.com

Get expert sales advice within 12 hours.

💬

+86-15961837791

Chat with us now for a quick response.

Contact us now to get a free quote or estimate.