UCFH210D1-

Time:2025-11-25Edit:JFU Bearing
UCFH210D1

UCFH210D1

/uploads/pic/i52niopizic1963_20251120181932.webp

UCFH210D1

Designations

UCFH210D1

Included products

Bearing UC210D1 Bearing
Housing FH210D1 Housing

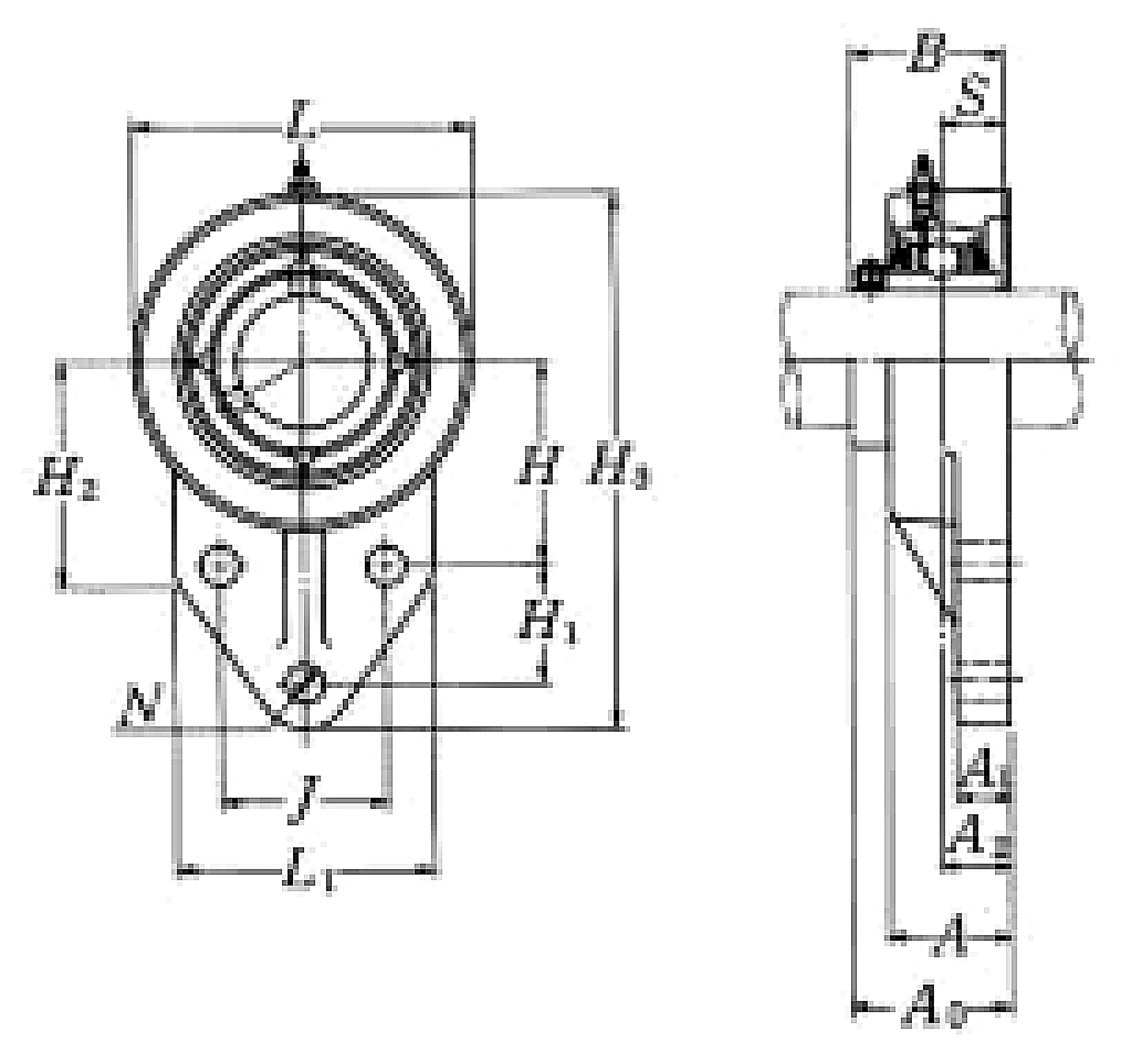
Nominal Dimensions

d 50 mm Bore diameter
L,L1 112 mm Overall height
H 68 mm Height of spherical seat centre
H3 184 mm Overall height
J 58 mm Distance between attachment bolts
N 12 mm Diameter of attachment bolt hole
A2 22 mm Flange width
A1 18 mm Flange width
A 40 mm Base width
A0 54.6 mm Overall width
B,B1,B2 51.6 mm Width of inner ring
H1 46 mm Distance between attachment bolt holes
S 19 mm Distance from Opposite side face of locking device to raceway centre
L1 86 mm Foot width

Mounting information

G M10 Bolt size

Basic Load Ratings

Cr 35 kN Basic dynamic load rating
C0r 23.2 kN Basic static load rating

Mass

mass 2.4 kg Mass approx.

Questions?

We are here to help.

admin@jfubearing.com

Get expert sales advice within 12 hours.

💬

+86-15961837791

Chat with us now for a quick response.

Contact us now to get a free quote or estimate.