UKFE210D1-

Time:2025-11-25Edit:JFU Bearing
UKFE210D1

UKFE210D1

/uploads/pic/1fepyzqsc5o1927_20251120180615.webp

UKFE210D1

Designations

UKFE210D1

Included products

Bearing UK210D1 Bearing
Housing FE210D1 Housing

Associated products

Adapter sleeve H2310X Adapter sleeve

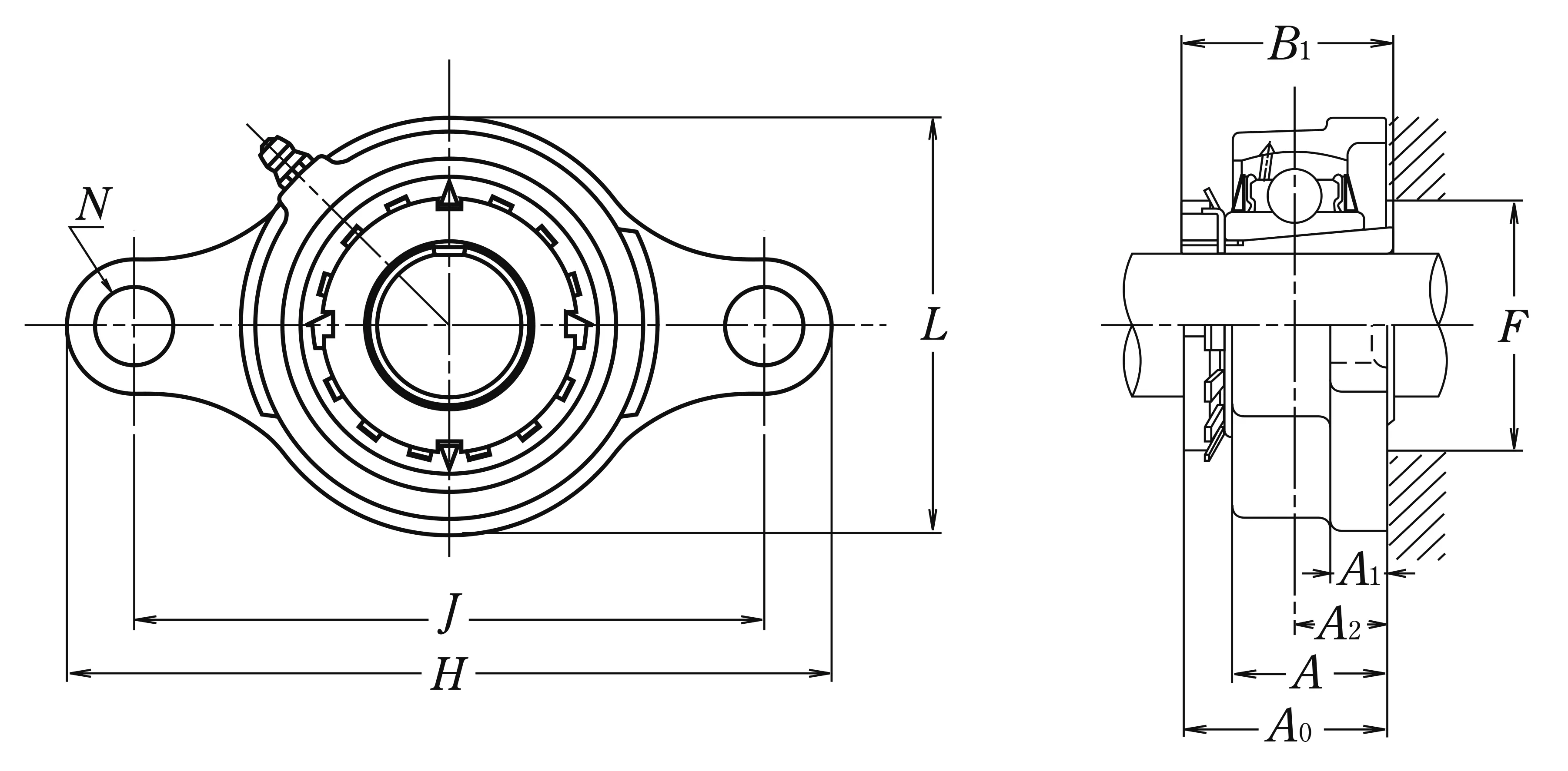
Nominal Dimensions

d 45 mm Bore diameter
L,L1 106 mm Overall height
J 157 mm Distance between attachment bolts
N 19 mm Diameter of attachment bolt hole
A2 22 mm Flange width
A1 13 mm Flange width
A 37 mm Base width
A0 50 mm Overall width
B,B1,B2 55 mm Width of inner ring
F 57 mm Diameter of housing abutment
H 189 mm Overall length

Mounting information

G M16 Bolt size

Basic Load Ratings

Cr 35 kN Basic dynamic load rating
C0r 23.2 kN Basic static load rating

Mass

mass 1.7 kg Mass approx.

Questions?

We are here to help.

admin@jfubearing.com

Get expert sales advice within 12 hours.

💬

+86-15961837791

Chat with us now for a quick response.

Contact us now to get a free quote or estimate.