UCFE206D1-

Time:2025-11-25Edit:JFU Bearing
UCFE206D1

UCFE206D1

/uploads/pic/zfxsk1vfbha1857_20251120173648.webp

UCFE206D1

Designations

UCFE206D1

Included products

Bearing UC206D1 Bearing
Housing FE206D1 Housing

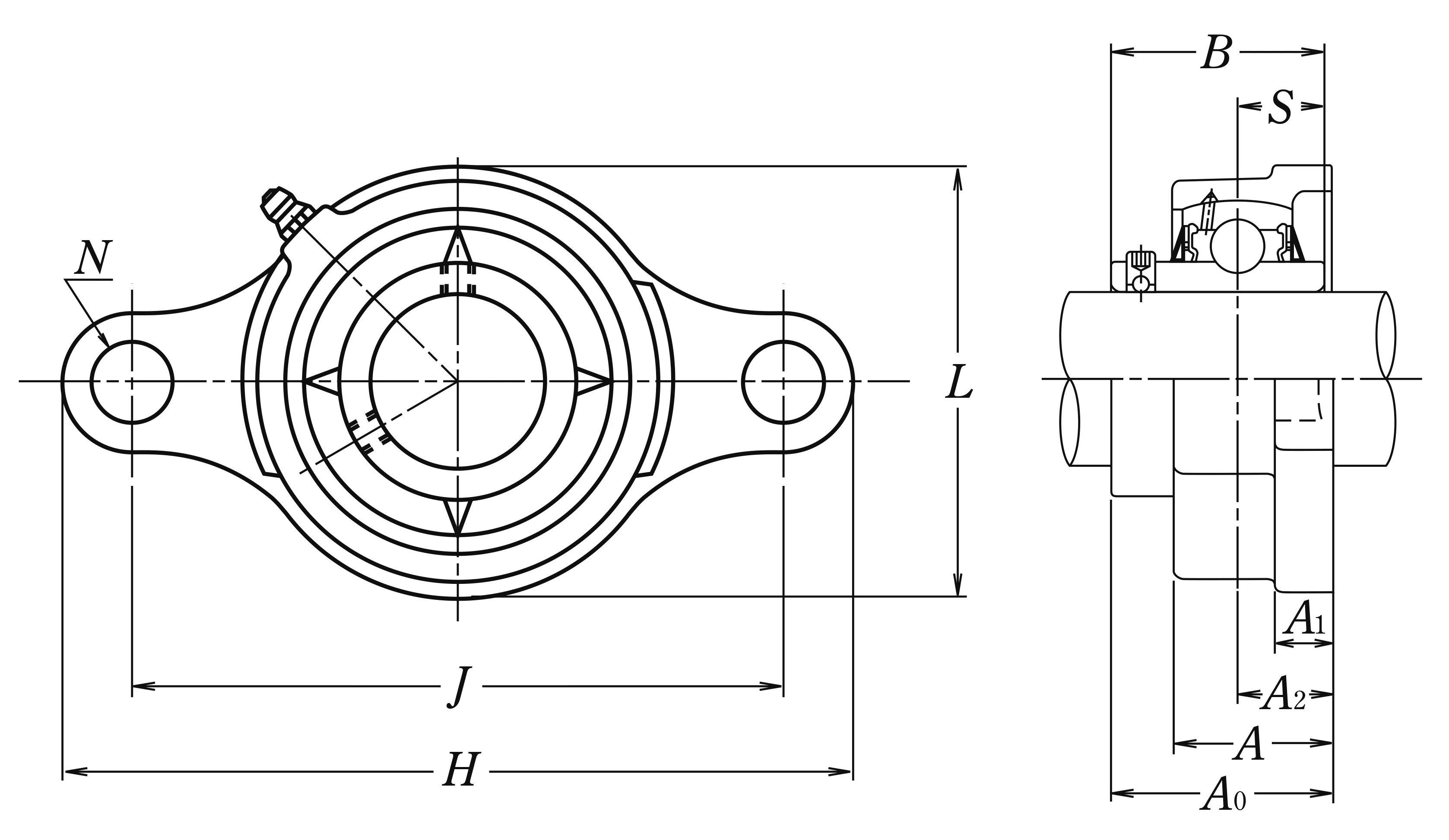
Nominal Dimensions

d 30 mm Bore diameter
L,L1 73 mm Overall height
J 117 mm Distance between attachment bolts
N 16 mm Diameter of attachment bolt hole
A2 18 mm Flange width
A1 10 mm Flange width
A 30 mm Base width
A0 40.2 mm Overall width
B,B1,B2 38.1 mm Width of inner ring
H 145 mm Overall length
S 15.9 mm Distance from Opposite side face of locking device to raceway centre

Mounting information

G M14 Bolt size

Basic Load Ratings

Cr 19.5 kN Basic dynamic load rating
C0r 11.3 kN Basic static load rating

Mass

mass 0.6 kg Mass approx.

Questions?

We are here to help.

admin@jfubearing.com

Get expert sales advice within 12 hours.

💬

+86-15961837791

Chat with us now for a quick response.

Contact us now to get a free quote or estimate.