UELFLU206D1-

Time:2025-11-25Edit:JFU Bearing
UELFLU206D1

UELFLU206D1

/uploads/pic/24lt2zork1u1855_20251120173609.webp

UELFLU206D1

Designations

UELFLU206D1

Included products

Bearing UEL206D Bearing
Housing FLU206D1 Housing

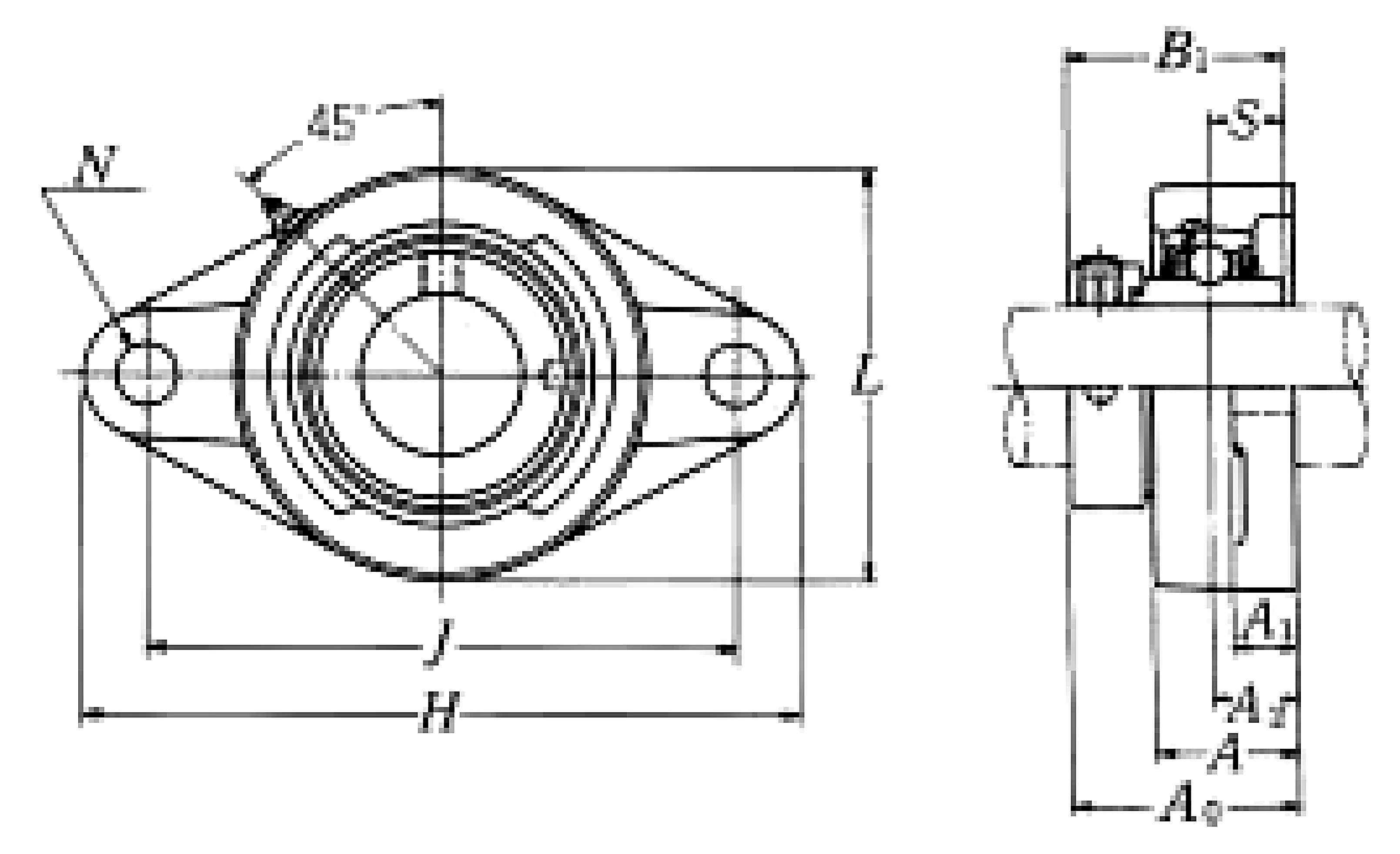
Nominal Dimensions

d 30 mm Bore diameter
L,L1 83 mm Overall height
J 116.5 mm Distance between attachment bolts
N 11.5 mm Diameter of attachment bolt hole
A2 20 mm Flange width
A1 16 mm Flange width
A 33 mm Base width
A0 50.1 mm Overall width
B,B1,B2 48.4 mm Width of inner ring
H 142 mm Overall length
S 18.25 mm Distance from Opposite side face of locking device to raceway centre

Mounting information

G M10 Bolt size

Basic Load Ratings

Cr 19.5 kN Basic dynamic load rating
C0r 11.3 kN Basic static load rating

Mass

mass 1.1 kg Mass approx.

Questions?

We are here to help.

admin@jfubearing.com

Get expert sales advice within 12 hours.

💬

+86-15961837791

Chat with us now for a quick response.

Contact us now to get a free quote or estimate.