UCFE205D1-

Time:2025-11-25Edit:JFU Bearing
UCFE205D1

UCFE205D1

/uploads/pic/vfck4wuhjyv1793_20251120171025.webp

UCFE205D1

Designations

UCFE205D1

Included products

Bearing UC205D1 Bearing
Housing FE205D1 Housing

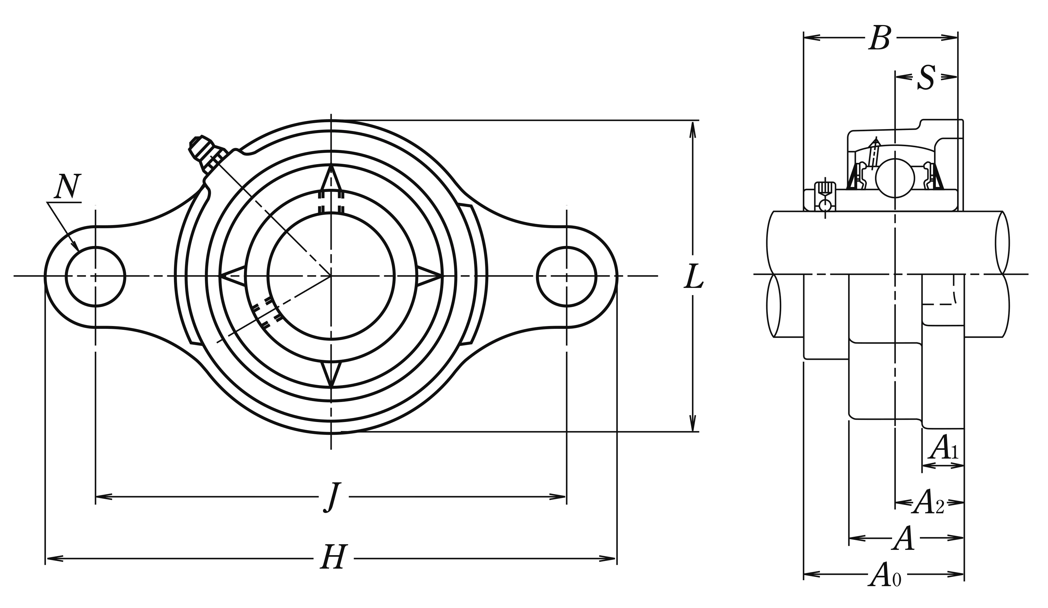
Nominal Dimensions

d 25 mm Bore diameter
L,L1 62 mm Overall height
J 99 mm Distance between attachment bolts
N 16 mm Diameter of attachment bolt hole
A2 16 mm Flange width
A1 10 mm Flange width
A 26 mm Base width
A0 35.8 mm Overall width
B,B1,B2 34.1 mm Width of inner ring
H 127 mm Overall length
S 14.3 mm Distance from Opposite side face of locking device to raceway centre

Mounting information

G M14 Bolt size

Basic Load Ratings

Cr 14 kN Basic dynamic load rating
C0r 7.85 kN Basic static load rating

Mass

mass 0.4 kg Mass approx.

Questions?

We are here to help.

admin@jfubearing.com

Get expert sales advice within 12 hours.

💬

+86-15961837791

Chat with us now for a quick response.

Contact us now to get a free quote or estimate.