UC324D1 Series-

Time:2025-11-25Edit:JFU Bearing
UC324D1 Series

UC324D1 Series

/uploads/pic/0n4o3cmefem2929_20251120230415.webp

UC324D1 Series

Designations

UC324D1

Included products

Bearing UC324D1 Bearing

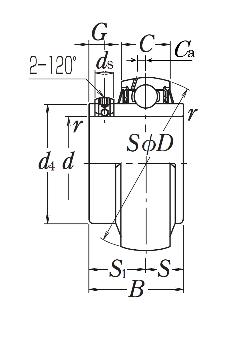
Nominal Dimensions

d 120 mm Bore diameter
D 260 mm Outside diameter
B,B4 126 mm Width of inner ring
C 63 mm Outer ring width
r(min.) 3 mm Chamfer dimension
S1 75 mm Distance from locking device side face to raceway centre
G 18 mm Distance face to thread centre
ds M18×1.5 Set screw
Ca 15.5 mm Distance from oil hole centre to raceway centre
d4 165.2 mm Outside diameter of inner ring

Basic Load Ratings

Cr 207 kN Basic dynamic load rating
C0r 185 kN Basic static load rating

Mass

Mass approx. 18.5 kg Mass approx.

Questions?

We are here to help.

admin@jfubearing.com

Get expert sales advice within 12 hours.

💬

+86-15961837791

Chat with us now for a quick response.

Contact us now to get a free quote or estimate.