UC322D1 Series-

Time:2025-11-25Edit:JFU Bearing
UC322D1 Series

UC322D1 Series

/uploads/pic/a4uabblyq3q2925_20251120230350.webp

UC322D1 Series

Designations

UC322D1

Included products

Bearing UC322D1 Bearing

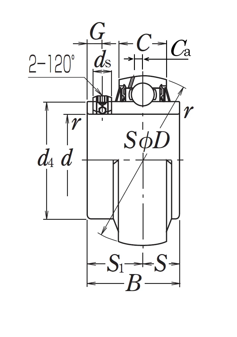
Nominal Dimensions

d 110 mm Bore diameter
D 240 mm Outside diameter
B,B4 117 mm Width of inner ring
C 59 mm Outer ring width
r(min.) 3 mm Chamfer dimension
S1 71 mm Distance from locking device side face to raceway centre
G 18 mm Distance face to thread centre
ds M18×1.5 Set screw
Ca 15.6 mm Distance from oil hole centre to raceway centre
d4 151.7 mm Outside diameter of inner ring

Basic Load Ratings

Cr 205 kN Basic dynamic load rating
C0r 179 kN Basic static load rating

Mass

Mass approx. 14.3 kg Mass approx.

Questions?

We are here to help.

admin@jfubearing.com

Get expert sales advice within 12 hours.

💬

+86-15961837791

Chat with us now for a quick response.

Contact us now to get a free quote or estimate.