UC320-400D1 Series-

Time:2025-11-25Edit:JFU Bearing
UC320-400D1 Series

UC320-400D1 Series

/uploads/pic/mh4wqx5mffj2915_20251120230217.webp

UC320-400D1 Series

Designations

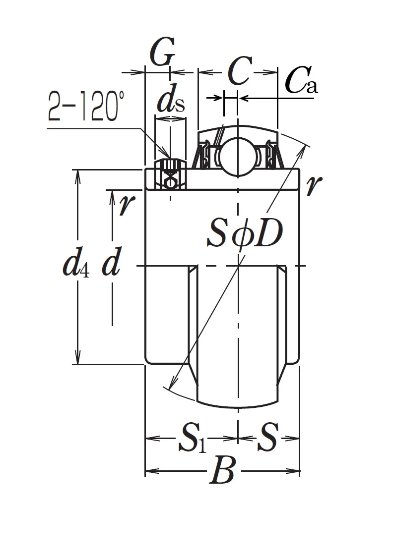
UC320-400D1

Included products

Bearing UC320-400D1 Bearing

Nominal Dimensions

d 101.6 mm Bore diameter
D 215 mm Outside diameter
B,B4 108 mm Width of inner ring
C 55 mm Outer ring width
r(min.) 3 mm Chamfer dimension
S1 66 mm Distance from locking device side face to raceway centre
G 18 mm Distance face to thread centre
ds 5/8-19UNF Set screw
Ca 14 mm Distance from oil hole centre to raceway centre
d4 135.6 mm Outside diameter of inner ring

Basic Load Ratings

Cr 173 kN Basic dynamic load rating
C0r 141 kN Basic static load rating

Mass

Mass approx. 10.6 kg Mass approx.

Questions?

We are here to help.

admin@jfubearing.com

Get expert sales advice within 12 hours.

💬

+86-15961837791

Chat with us now for a quick response.

Contact us now to get a free quote or estimate.