UEL314D1 Series-

Time:2025-11-25Edit:JFU Bearing
UEL314D1 Series

UEL314D1 Series

/uploads/pic/vunbyps31uj2767_20251120221042.webp

UEL314D1 Series

Designations

UEL314D1

Included products

Bearing UEL314D1 Bearing

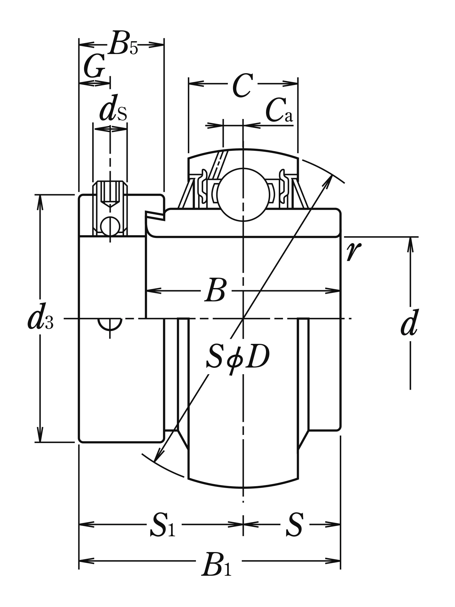
Nominal Dimensions

d 70 mm Bore diameter
D 150 mm Outside diameter
B1 92.1 mm Overall bearing width
B,B4 68.3 mm Width of inner ring
C 41 mm Outer ring width
r(min.) 2.5 mm Chamfer dimension
S1 57.95 mm Distance from locking device side face to raceway centre
G 10.3 mm Distance face to thread centre
ds M12×1.5 Set screw
Ca 10 mm Distance from oil hole centre to raceway centre
d3 102 mm Outside diameter of locking collar
B5 30.2 mm Width of locking collar

Basic Load Ratings

Cr 104 kN Basic dynamic load rating
C0r 68 kN Basic static load rating

Mass

Mass approx. 4.4 kg Mass approx.

Questions?

We are here to help.

admin@jfubearing.com

Get expert sales advice within 12 hours.

💬

+86-15961837791

Chat with us now for a quick response.

Contact us now to get a free quote or estimate.