UC211D1 Series-

Time:2025-11-25Edit:JFU Bearing
UC211D1 Series

UC211D1 Series

/uploads/pic/hn3hywsdvuv2663_20251120214536.webp

UC211D1 Series

Designations

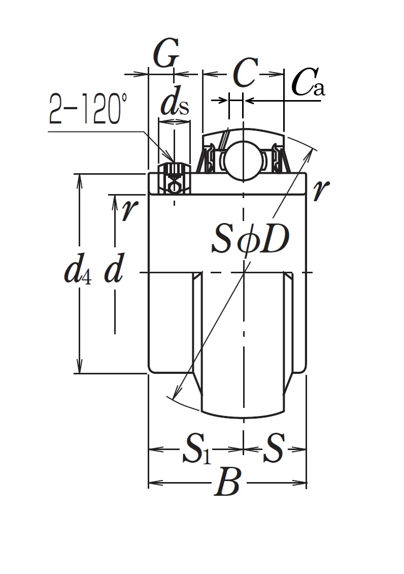
UC211D1

Included products

Bearing UC211D1 Bearing

Nominal Dimensions

d 55 mm Bore diameter
D 100 mm Outside diameter
B,B4 55.6 mm Width of inner ring
C 25 mm Outer ring width
r(min.) 2 mm Chamfer dimension
S1 33.4 mm Distance from locking device side face to raceway centre
G 9 mm Distance face to thread centre
ds M 8×1 Set screw
Ca 6.5 mm Distance from oil hole centre to raceway centre
d4 69 mm Outside diameter of inner ring

Basic Load Ratings

Cr 43.5 kN Basic dynamic load rating
C0r 29.2 kN Basic static load rating

Mass

Mass approx. 1.04 kg Mass approx.

Questions?

We are here to help.

admin@jfubearing.com

Get expert sales advice within 12 hours.

💬

+86-15961837791

Chat with us now for a quick response.

Contact us now to get a free quote or estimate.