UC311-202D1 Series-

Time:2025-11-25Edit:JFU Bearing
UC311-202D1 Series

UC311-202D1 Series

/uploads/pic/odtiwuszjjo2653_20251120214404.webp

UC311-202D1 Series

Designations

UC311-202D1

Included products

Bearing UC311-202D1 Bearing

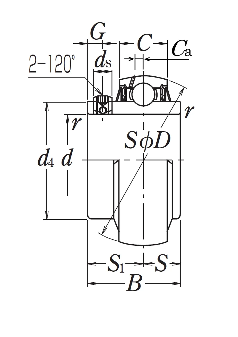
Nominal Dimensions

d 53.975 mm Bore diameter
D 120 mm Outside diameter
B,B4 66 mm Width of inner ring
C 34 mm Outer ring width
r(min.) 2.5 mm Chamfer dimension
S1 41 mm Distance from locking device side face to raceway centre
G 12 mm Distance face to thread centre
ds 1/2-21UNF Set screw
Ca 8.5 mm Distance from oil hole centre to raceway centre
d4 76.6 mm Outside diameter of inner ring

Basic Load Ratings

Cr 71.5 kN Basic dynamic load rating
C0r 45 kN Basic static load rating

Mass

Mass approx. 2.13 kg Mass approx.

Questions?

We are here to help.

admin@jfubearing.com

Get expert sales advice within 12 hours.

💬

+86-15961837791

Chat with us now for a quick response.

Contact us now to get a free quote or estimate.