UC208-109D1 Series-

Time:2025-11-25Edit:JFU Bearing
UC208-109D1 Series

UC208-109D1 Series

/uploads/pic/tcxdz0fbbrj2519_20251120211606.webp

UC208-109D1 Series

Designations

UC208-109D1

Included products

Bearing UC208-109D1 Bearing

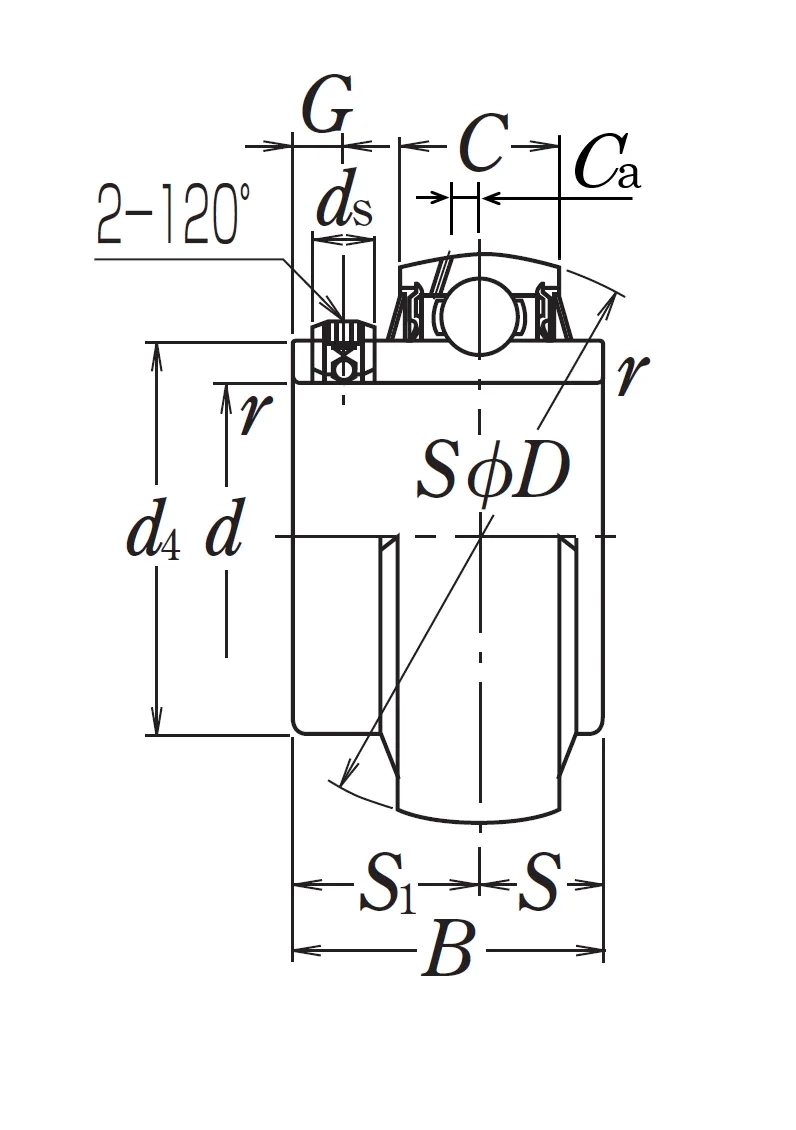
Nominal Dimensions

d 39.688 mm Bore diameter
D 80 mm Outside diameter
B,B4 49.2 mm Width of inner ring
C 21 mm Outer ring width
r(min.) 1.5 mm Chamfer dimension
S1 30.2 mm Distance from locking device side face to raceway centre
G 8 mm Distance face to thread centre
ds 5/16-25UNF Set screw
Ca 6 mm Distance from oil hole centre to raceway centre
d4 53 mm Outside diameter of inner ring

Basic Load Ratings

Cr 29.1 kN Basic dynamic load rating
C0r 17.8 kN Basic static load rating

Mass

Mass approx. 0.65 kg Mass approx.

Questions?

We are here to help.

admin@jfubearing.com

Get expert sales advice within 12 hours.

💬

+86-15961837791

Chat with us now for a quick response.

Contact us now to get a free quote or estimate.