F-UC207D1/LP99 Series-

Time:2025-11-25Edit:JFU Bearing
F-UC207D1/LP99 Series

F-UC207D1/LP99 Series

/uploads/pic/nct0e2hdkfb2493_20251120210600.webp

F-UC207D1/LP99 Series

Designations

F-UC207D1/LP99

Included products

Bearing F-UC207D1/LP99 Bearing

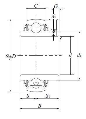
Nominal Dimensions

d 35 mm Bore diameter
D 72 mm Outside diameter
B,B4 42.9 mm Width of inner ring
C 20 mm Outer ring width
r(min.) 1.5 mm Chamfer dimension
S1 25.4 mm Distance from locking device side face to raceway centre
G 6 mm Distance face to thread centre
ds M6×0.75 Set screw
d4 46.8 mm Outside diameter of inner ring

Basic Load Ratings

Cr 19.7 kN Basic dynamic load rating
C0r 15.3 kN Basic static load rating

Mass

Mass approx. 0.49 kg Mass approx.

Questions?

We are here to help.

admin@jfubearing.com

Get expert sales advice within 12 hours.

💬

+86-15961837791

Chat with us now for a quick response.

Contact us now to get a free quote or estimate.