UC202-009D1 Series-

Time:2025-11-25Edit:JFU Bearing
UC202-009D1 Series

UC202-009D1 Series

/uploads/pic/jf01zaalj0r2305_20251120195400.webp

UC202-009D1 Series

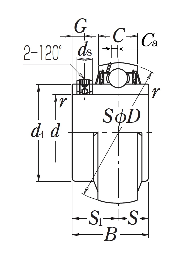
Designations

UC202-009D1

Included products

Bearing UC202-009D1 Bearing

Nominal Dimensions

d 14.288 mm Bore diameter
D 47 mm Outside diameter
B,B4 31 mm Width of inner ring
C 17 mm Outer ring width
r(min.) 0.6 mm Chamfer dimension
S1 18.3 mm Distance from locking device side face to raceway centre
G 4.5 mm Distance face to thread centre
ds No.10-32UNF Set screw
Ca 3.8 mm Distance from oil hole centre to raceway centre
d4 29.6 mm Outside diameter of inner ring

Basic Load Ratings

Cr 12.8 kN Basic dynamic load rating
C0r 6.65 kN Basic static load rating

Mass

Mass approx. 0.2 kg Mass approx.

Questions?

We are here to help.

admin@jfubearing.com

Get expert sales advice within 12 hours.

💬

+86-15961837791

Chat with us now for a quick response.

Contact us now to get a free quote or estimate.